EasyManua.ls Logo

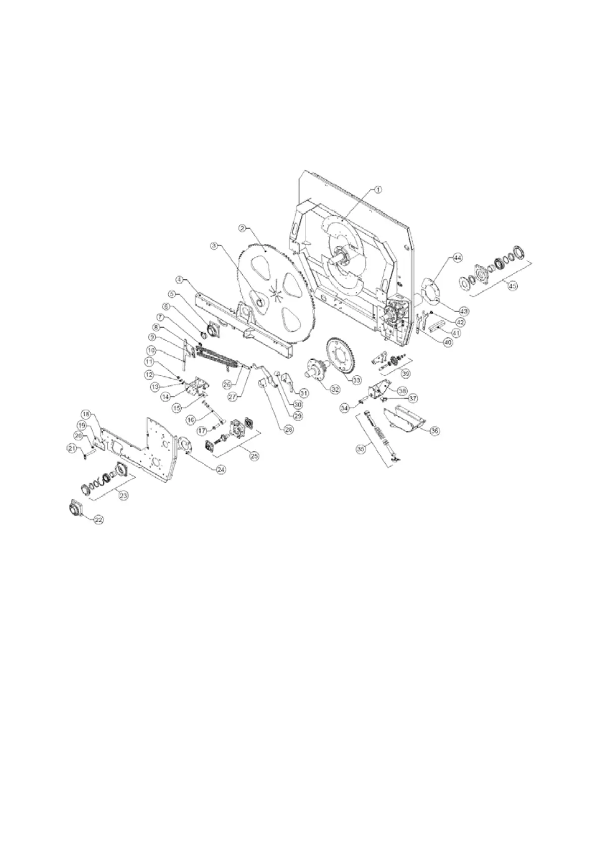
Alltech KEENAN MechFiber340 - Driveline System Parts List; Exploded View of Driveline Components

Alltech KEENAN MechFiber340
76 pages
Print Icon
To Next Page IconTo Next Page
To Next Page IconTo Next Page
To Previous Page IconTo Previous Page
To Previous Page IconTo Previous Page
Loading...
Revision G04 July 2018
11.4 DRIVELINE PARTS
42