EasyManua.ls Logo

Alpine HDA-M80 - Page 101

Alpine HDA-M80
180 pages
Print Icon
To Next Page IconTo Next Page
To Next Page IconTo Next Page
To Previous Page IconTo Previous Page
To Previous Page IconTo Previous Page
Loading...
ALPINE HDA-M80/HDA-F60/HDA-V90 68-44781Z25-A (EN/DE/FR/ES/IT/SE/RU/CS)ALPINE HDA-M80/HDA-F60/HDA-V90 68-44781Z25-A (EN/DE/FR/ES/IT/SE/RU/CS)
11-IT
EN
ES
DE
IT
RU
FR
SE
CS
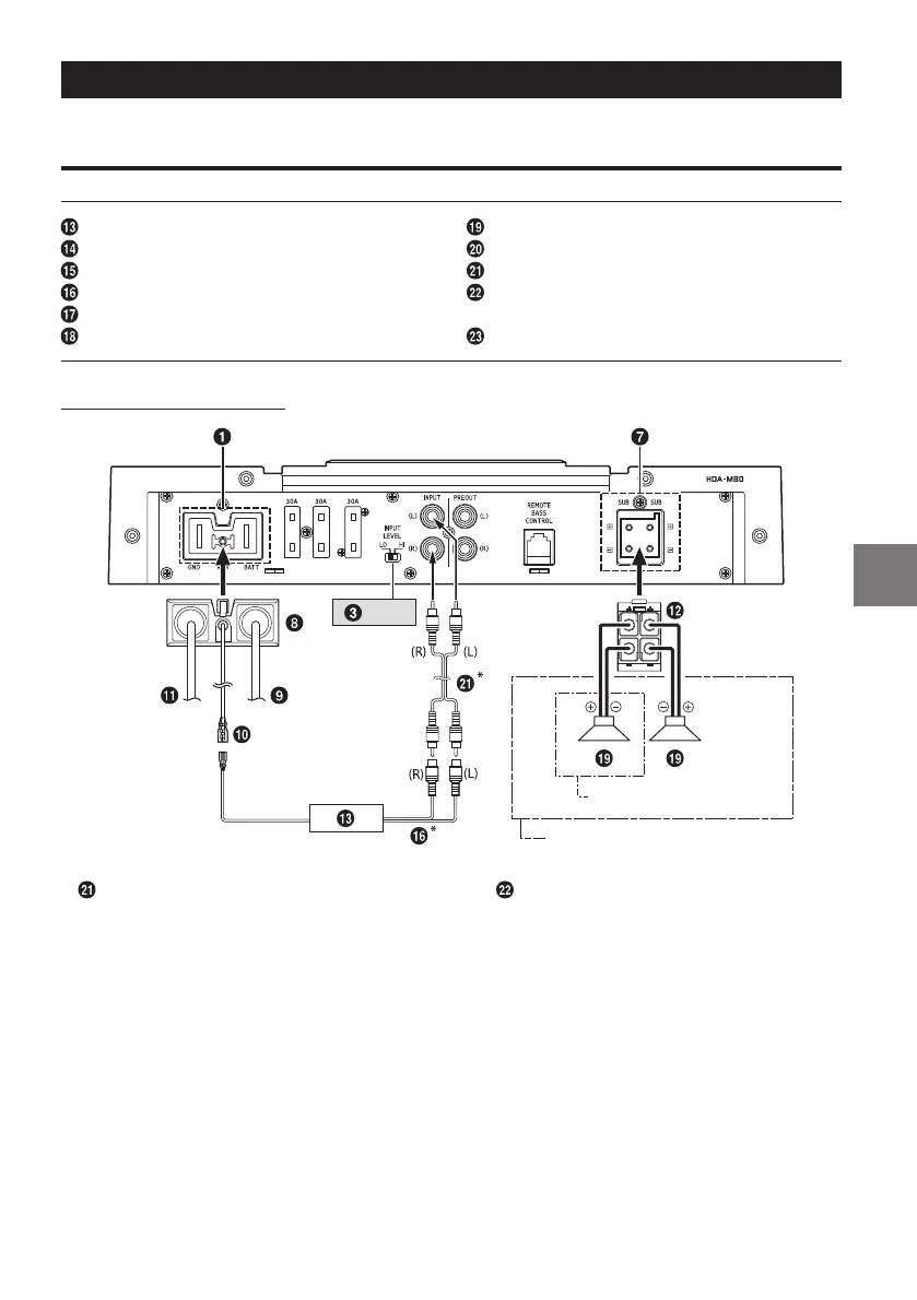
DIAGRAMMI DEI SISTEMI
Prima di eseguire un collegamento, controllate l’impedenza totale dell’altoparlante collegato all’unità. Per
eventuali domande, rivolgetevi al rivenditore Alpine di zona.
Diagramma di collegamento di base per HDA-M80
Unità principale, ecc.
Uscita anteriore
Uscita posteriore
Uscita subwoofer
Altoparlanti anteriori
Altoparlanti posteriori
Subwoofer
Subwoofer a doppia bobina
Cavo di prolunga RCA (venduto separatamente)
Cavo di conversione altoparlante-RCA (venduto
separatamente)
Adattatore-Y (venduto separatamente)
Sistema con subwoofer
Sistema con 1 subwoofer
Sistema con 2 subwoofer (MONO)
[LO]
* Se l’unità collegata non è dotata di uscita altoparlanti e non è possibile utilizzare cavi di prolunga RCA
( ), potete usare il cavo di conversione altoparlante-RCA ( ) (venduto separatamente). Per informazioni
su come eseguire il collegamento, consultate “Informazioni sul collegamento al sistema con livello di
ingresso altoparlanti” (pagina 17).
Informazioni sullindicatore di accensione
Indicatore di accensione
Si illumina quando è accesa la corrente.
È spento quando è spenta la corrente.
Colore indicazione Stato Soluzione
Blu Il circuito dellamplificatore è
normale.
Rosso
(lampeggiante)
La temperatura operativa è
alta.
Abbassare il volume dell’unità principale (segnale
in ingresso).
Far diminuire la temperatura interna al veicolo ad
un livello normale.
Il colore dellindicatore diventa blu.
Rosso Circuito dellamplificatore non
normale.
Si è verificato un corto circuito
o la corrente di alimentazione
è troppo alta.
Spegnere lalimentazione ed eliminare la causa.
Quindi accendere l’unità e verificare che il colore
dellindicatore è diventato blu.
Se resta rosso, spegnere l’unità e consultare il
proprio rivenditore.
La temperatura operativa è
troppo bassa.
Portare la temperatura interna del veicolo a un
livello normale.
Il colore dellindicatore diventa blu.
La tensione della corrente di
alimentazione è troppo alta.
Utilizzare la tensione dellalimentazione corretta.
Il colore dellindicatore diventa blu.

Related product manuals