EasyManua.ls Logo

Alpine HDA-M80 - Page 105

Alpine HDA-M80
180 pages
Print Icon
To Next Page IconTo Next Page
To Next Page IconTo Next Page
To Previous Page IconTo Previous Page
To Previous Page IconTo Previous Page
Loading...
ALPINE HDA-M80/HDA-F60/HDA-V90 68-44781Z25-A (EN/DE/FR/ES/IT/SE/RU/CS)ALPINE HDA-M80/HDA-F60/HDA-V90 68-44781Z25-A (EN/DE/FR/ES/IT/SE/RU/CS)
15-IT
EN
ES
DE
IT
RU
FR
SE
CS
Sistema con 2 altoparlanti + 1 subwoofer (collegamenti a ponte)
Si riferisce a “Sistema con 4 altoparlanti
(pagina 13).
Sistema con 2 altoparlanti (collegamenti a ponte)
Si riferisce a “Sistema con 4 altoparlanti
(pagina 13).
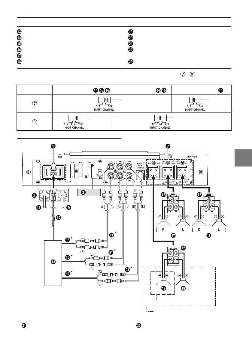
Diagramma di collegamento di base per HDA-V90
Unità principale, ecc.
Uscita anteriore
Uscita posteriore
Uscita subwoofer
Altoparlanti anteriori
Altoparlanti posteriori
Subwoofer
Subwoofer a doppia bobina
Cavo di prolunga RCA (venduto separatamente)
Cavo di conversione altoparlante-RCA (venduto
separatamente)
Adattatore-Y (venduto separatamente)
Per l’unità HDA-V90, modificate l’impostazione del selettore dei canali di ingresso ( )/( ) in base al
numero di canali dell’ingresso altoparlante.
Ingresso a 5 canali: Ingresso a 4 canali: Ingresso a 2 canali:
[3/4] [1/2]
[SUB]
[1+2+3+4]
Sistema con 4 altoparlanti + subwoofer
Sistema con 1 subwoofer
[LO]
Sistema con 2 subwoofer (MONO)
* Se l’unità collegata non è dotata di uscita altoparlanti e non è possibile utilizzare cavi di prolunga RCA
( ), potete usare il cavo di conversione altoparlante-RCA ( ) (venduto separatamente). Per informazioni
su come eseguire il collegamento, consultate “Informazioni sul collegamento al sistema con livello di
ingresso altoparlanti” (pagina 17).

Related product manuals