EasyManua.ls Logo

Alpine HDA-M80 - Page 127

Alpine HDA-M80
180 pages
Print Icon
To Next Page IconTo Next Page
To Next Page IconTo Next Page
To Previous Page IconTo Previous Page
To Previous Page IconTo Previous Page
Loading...
ALPINE HDA-M80/HDA-F60/HDA-V90 68-44781Z25-A (EN/DE/FR/ES/IT/SE/RU/CS)ALPINE HDA-M80/HDA-F60/HDA-V90 68-44781Z25-A (EN/DE/FR/ES/IT/SE/RU/CS)
15-SE
EN
ES
DE
IT
RU
FR
SE
CS
System med 2 högtalare + 1 subwoofer (bryggkopplingar)
Se ”System med 4 högtalare (sidan 13).
System med 2 högtalare (bryggkopplingar)
Se ”System med 4 högtalare (sidan 13).
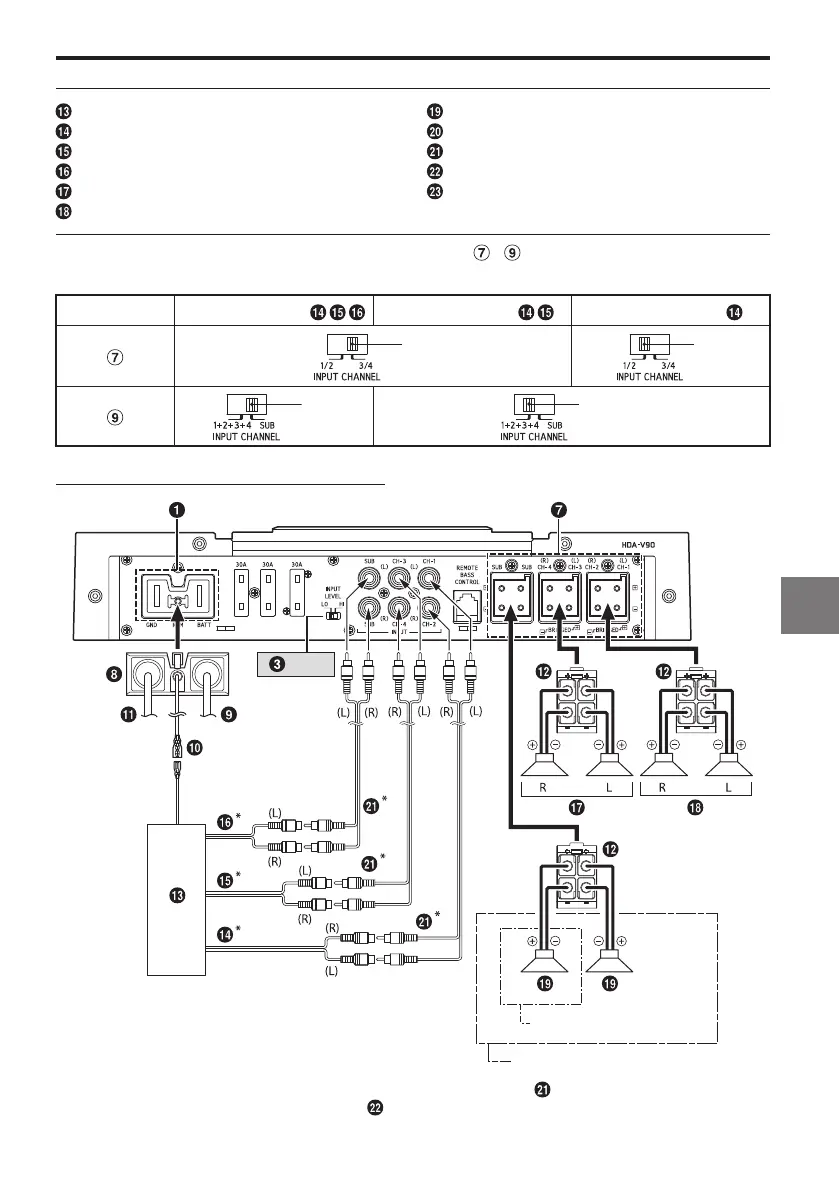
Grundläggande kopplingsschema för HDA-V90
Huvudenhet, etc.
Främre utsignal
Bakre utsignal
Subwoofer utsignal
Högtalare fram
Högtalare bak
Subwoofer
Subwoofer med dubbel talspole
RCA-kabel (säljs separat)
Högtalar-RCA-konverteringskabel (säljs separat)
Y-Adapter (säljs separat)
Ändra väljarinställningen för ingångssignal gällande HDA-V90 ( )/( ) efter högtalaringångens antal
kanaler.
5-Channel-ingång: 4-Channel-ingång: 2-Channel-ingång:
[3/4] [1/2]
[SUB]
[1+2+3+4]
System med 4 högtalare + subwoofer
1 subwoofersystem
[LO]
2 subwoofersystem (MONO)
* Om ansluten huvudenhet inte har en högtalarutgång och RCA-kablar ( ) inte går att använda kan du
använda högtalar-RCA-konverteringskabeln ( ) (säljs separat). Mer information om anslutning finns i
”Om anslutning till system för högtalaringång (sidan 17).

Related product manuals