EasyManua.ls Logo

Alpine HDA-M80 - Page 147

Alpine HDA-M80
180 pages
Print Icon
To Next Page IconTo Next Page
To Next Page IconTo Next Page
To Previous Page IconTo Previous Page
To Previous Page IconTo Previous Page
Loading...
ALPINE HDA-M80/HDA-F60/HDA-V90 68-44781Z25-A (EN/DE/FR/ES/IT/SE/RU/CS)ALPINE HDA-M80/HDA-F60/HDA-V90 68-44781Z25-A (EN/DE/FR/ES/IT/SE/RU/CS)
13-RU
EN
ES
DE
IT
RU
FR
SE
CS
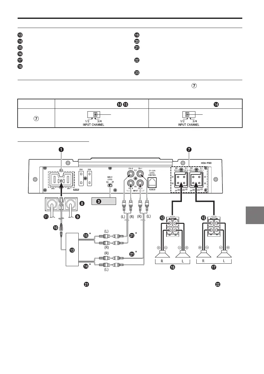
Базовая схема соединений для HDA-F60
Главный блок и др.
Передний выход
Задний выход
Выход сабвуфера
Передние динамики
Задний динамик
Сабвуфер
Сабвуфер с двойной звуковой катушкой
Удлинительный кабель RCA (приобретается
дополнительно)
Кабель-переходник динамик-RCA
(приобретается дополнительно)
Y-адаптер (приобретается дополнительно)
Для устройства HDA-F60 измените настройку переключателя входного канала ( ) в соответствии с
количеством каналов входа динамика.
4-канальный вход: 2-канальный вход:
[3/4]
[1/2]
Система из 4 динамиков
[LO]
* Если на подключенном главном блоке отсутствуют выход динамиков и невозможно использовать
удлинительные кабели RCA ( ), можно использовать кабель-переходник динамик-RCA ( )
(приобретается дополнительно). Подробнее о выполнении подключения см. в разделе “О
подключении к схеме подключения уровня динамиков”тр. 17).
Система сабвуфера с двойной звуковой катушкой
См. раздел “Система сабвуфера”
тр. 11).
Параллельное
подключение
Последовательное
подключение
* При использовании последовательного подключения питающий провод сабвуфера с двойной
звуковой катушкой ( ) можно подключить к любой из клемм (+)/(-) разъема для динамика ( ).
Система из нескольких моноканальных усилителей (пример подключения к
HDA-F60)
HDA-F60
HDA-M80
[LO]
[LO]
Подробнее о переключателе входного канала ( ) устройства HDA-F60 см. в разделе “Базовая схема
соединений для HDA-F60”тр. 13).

Related product manuals