EasyManua.ls Logo

Alpine HDP-D90 - Page 29

Alpine HDP-D90
37 pages
Print Icon
To Next Page IconTo Next Page
To Next Page IconTo Next Page
To Previous Page IconTo Previous Page
To Previous Page IconTo Previous Page
Loading...
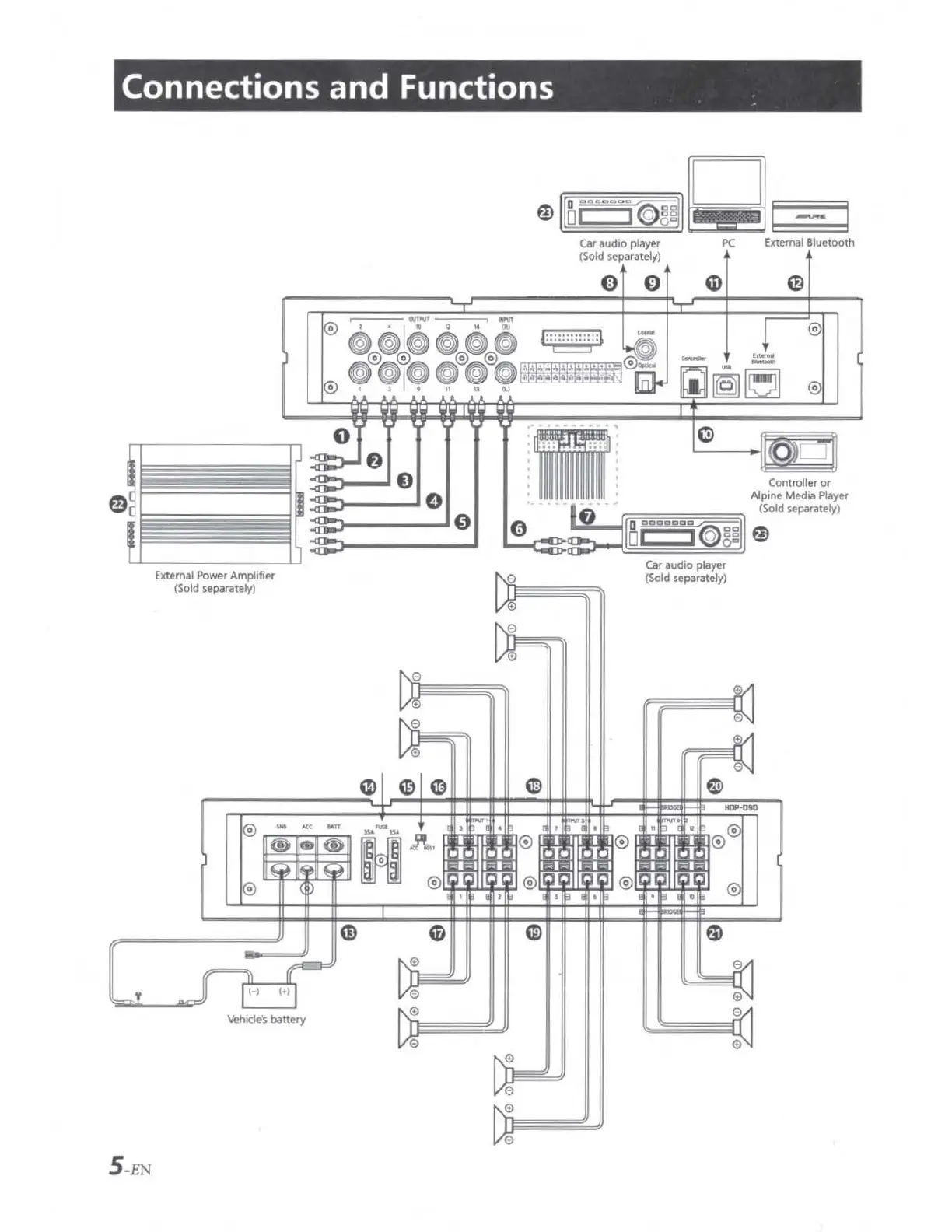
Connections and Functions
External Power
Amplifier
(Sold separately)
0
'
0
~
+
e 6' 0
-~
®
...
·
·~··
MX
IATT
-
I
'
J3
I
@
•@
H~
~
~
~
'
~
~
®
)
I
,
13
e
4D
G
-
0
rr-
11
1=
~ t
H
(♦)
I
0
-
Vehicle's
battery
0
I
0
5
-EN
0
I
0
~
r,=:::
D
~::::;::;::;::aaoa:::;:::::::;;::a
~~
0011
a
11
F=;;;;;;;;;;;;i
~
1,1
•'9,
ag
~
--
Car
audio
player
(Sold separately}
PC
~
'
:
' '
' '
'
Car
,ud
io
player
(So
ld
separately}
External Bluetooth
Controller
or
Alpine
Media Player
(Sold separately)
DF
+
0
0
0
0
~
~
-
~
--MO
,,
....
··~·
. '
@
a
I t 3 I I a I
11
a
I R
J3
@ @ @
s
@ @
@
I
l3
I
a
I 3
I
a ! " 3
~
9
~
+
0
0
0
0
0
I
0

Related product manuals