EasyManua.ls Logo

Altera DE2 Board - Expansion Headers Connectivity

Altera DE2 Board
85 pages
Print Icon
To Next Page IconTo Next Page
To Next Page IconTo Next Page
To Previous Page IconTo Previous Page
To Previous Page IconTo Previous Page
Loading...
Using the System
21
3-7
Using the 7-SEG Displays and LCD Module
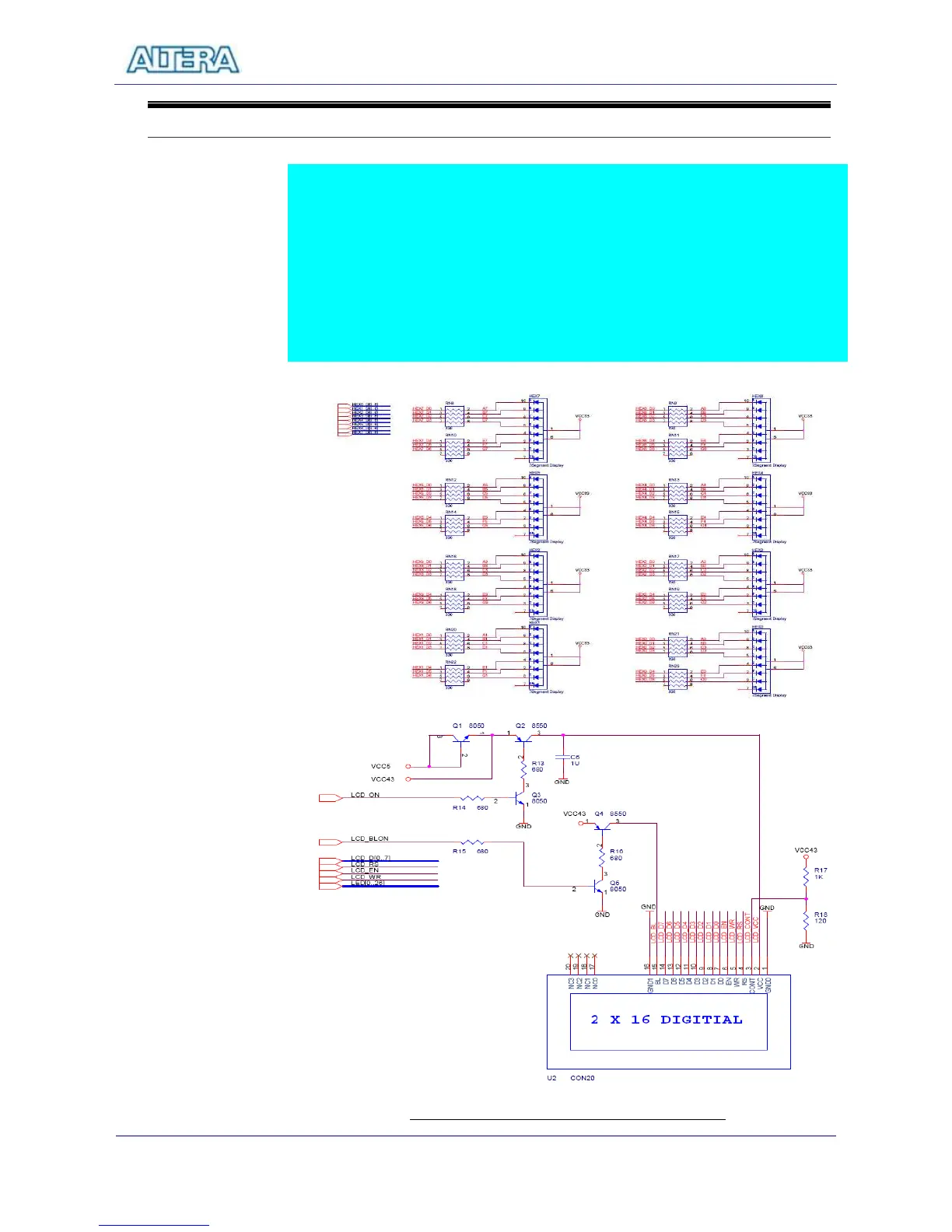
The DE2 Board has eight 7-SEG displays and one 16x2 LCD module. The LCD
module has built-in font library; users have to send control signals according to its
specific timing to display desired characters at the correct location. For detailed
information on how to use the LCD module, users can refer to the spec under
C:\DE2\Datasheet\LCD
Figure 3.9 shows the related schematics. The pin assignments of the 7-SEG displays,
and 16x2 LCD Module are listed in Table 3.6 and 3.7, respectively.
Figure 3.9 7-SEG Display and 16x2 LCD module

Related product manuals