EasyManua.ls Logo

AMERITRON ALS-600 - PA Board

AMERITRON ALS-600
42 pages
Print Icon
To Next Page IconTo Next Page
To Next Page IconTo Next Page
To Previous Page IconTo Previous Page
To Previous Page IconTo Previous Page
Loading...
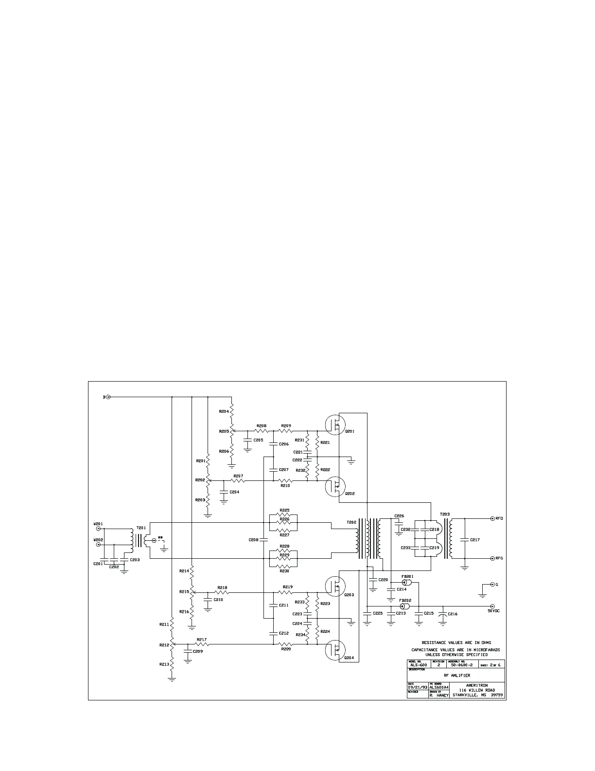
PA Board
50-0600-2
Designator Description Part Number
C201-203,217 not used
C204-207,209-212 .1 uF 50V disc 200-0745
C208 470 pF 500V DM 15 208-5440
C213,214,220-226 .33 uF 100V multiplayer 205-1334
C215 47 uF 100V mylar 201-1474
C216 100 uF 100V radial lead electrolytic 203-1007
C218,219,232,233 360 pF 500V 208-5688-1
FB201,202 ferrite bead w/Teflon sleeving 403-0508
Q201-204 MRF-150 RF TMOS FET 305-6150
R201,204,214,211 3.3K 1/4 watt 100-3330
R202,205,212,215 5K trim pot 104-2520
R203,206,213,216,221-224 1K 1/2 watt 100-3100
R207,208,217,218,231-234 18 ohm 1/2 watt 101-1180
R209,210,219,220 1 ohm 1/2 watt 101-1010
R225-230 22 ohm 2 watt MOX 103-2220
T201 input transformer 406-2600
T202 feedback transformer 406-2601
T203 output transformer pair 406-2602
29

Related product manuals