EasyManua.ls Logo

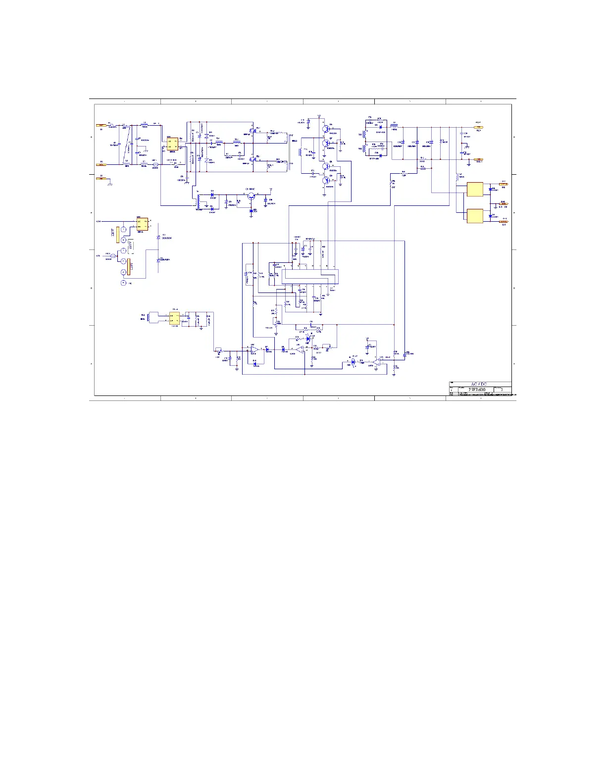
AMERITRON ALS-600 - ALS-600 SPS Schematic

AMERITRON ALS-600
42 pages
Print Icon
To Next Page IconTo Next Page
To Next Page IconTo Next Page
To Previous Page IconTo Previous Page
To Previous Page IconTo Previous Page
Loading...
ALS-600SPS Schematic
41

Related product manuals