EasyManua.ls Logo

AMERITRON ALS-600 - Page 31

AMERITRON ALS-600
42 pages
Print Icon
To Next Page IconTo Next Page
To Next Page IconTo Next Page
To Previous Page IconTo Previous Page
To Previous Page IconTo Previous Page
Loading...
31
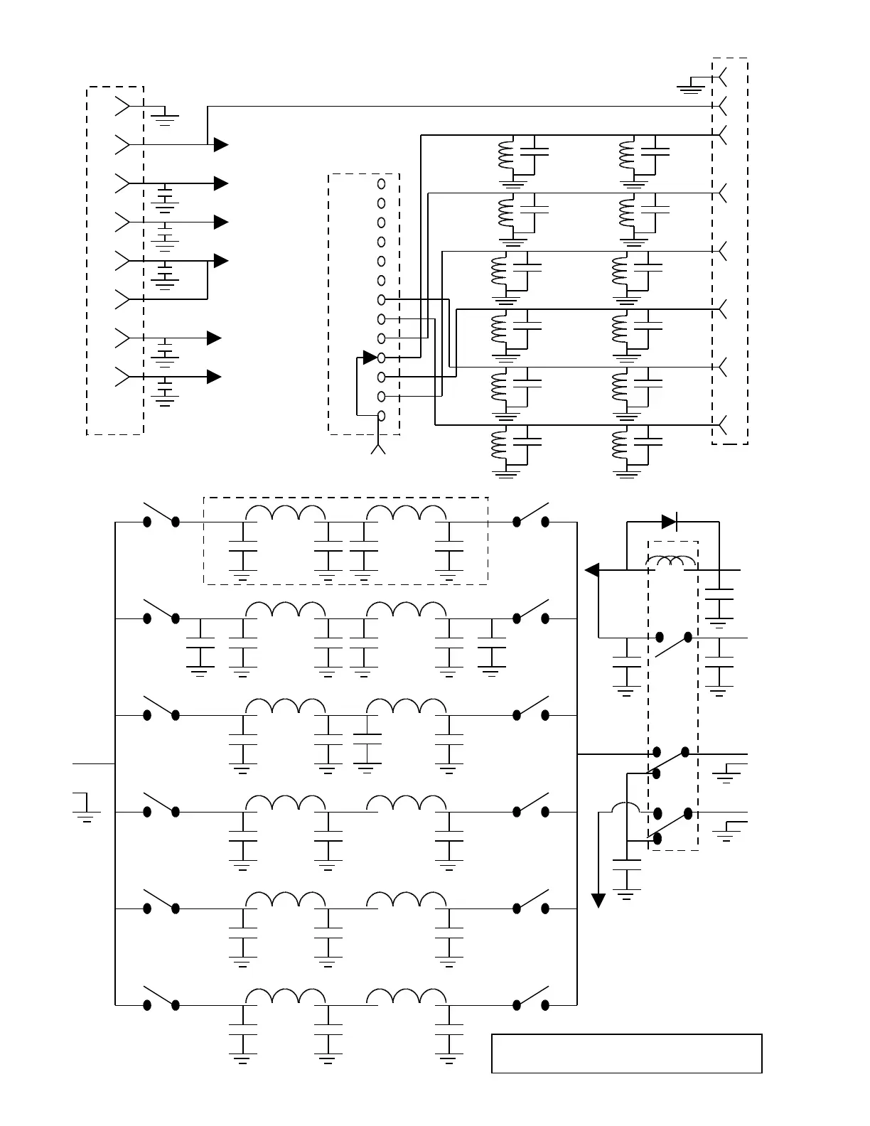
RLY310
C326
RLY304
C334
RLY309
C325
RLY303
C333
RLY312
C328
RLY306
C336
RLY311
C327
RLY305
C335
RLY307
C329
RLY301
C331
RLY308
C330
RLY310
C332
J302
2
1
3
4
5
6
7
8
A
1
2
3
5
4
6
7
8
9
10
11
12
SW1
SW101
C337
3
C338
4
C339
5
C340
7
C341
8
6
J401-3
J401-2
J401-4
J401-8
J401-6
2
1
J301
W309
C302 C313 C314 C307
L301 L306
RLY302 RLY308
C303
C315
C309
L302 L307RLY303 RLY309
C304 C319 C310
L303 L308RLY304 RLY310
C305 C317 C311
L304 L309RLY3305 RLY327
C306 C310 C312
L305 L310RLY306 RLY312
130pf
6T 5TRLY301 RLY307
R12
R02
R11
C320
R01
C324
W307
W308
C323
W309
D301
Output Filter/Switching Assembly
RLY313
MOD-10MB
C301
C308
C322
130pf 130pf 130pf
C316

Related product manuals