EasyManua.ls Logo

AMERITRON ALS-600 - Page 33

AMERITRON ALS-600
42 pages
Print Icon
To Next Page IconTo Next Page
To Next Page IconTo Next Page
To Previous Page IconTo Previous Page
To Previous Page IconTo Previous Page
Loading...
33
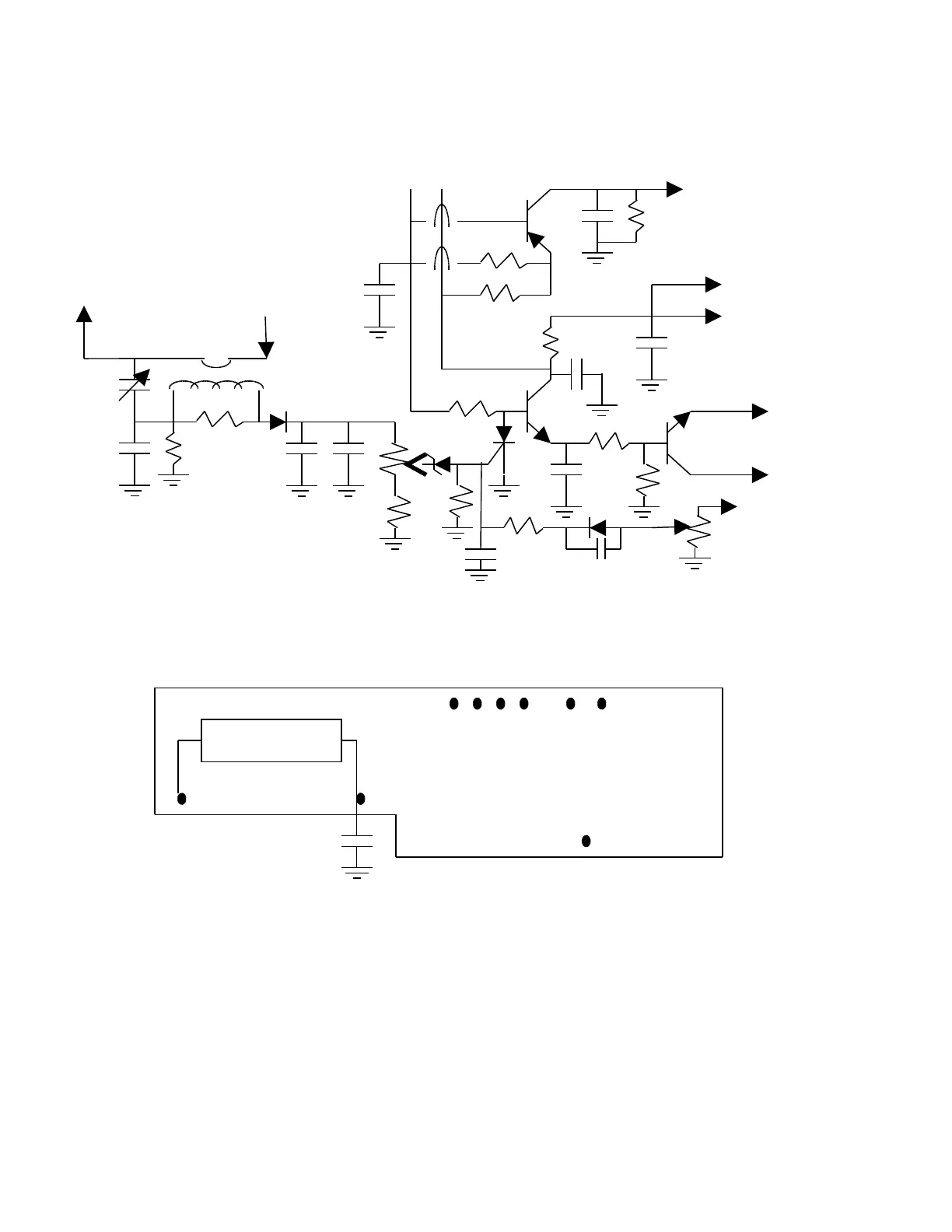
AB D E FC
H
IJ
1234
C200
100pf
To W201
(PA)
35 ohm non-inductive
resistor R301
In from
PA RF Bd
Blue
To J5-6
F (Red/Blk)
To J5-4
E (Red/Wht)
To J5-3
T101
C204
C205
R203
R202
D201
D203
C206 C202
C207
R208
R207
R209
R210
R204
R205
R206
C208
Q202
Q203
Q201
Q204
R213
C203
H (Gray)
To J4-5
R212
C209
D202
Purple
To W307
G (Green)
To J201
R215
R214
C (Yel)
To W309 & J5-5
D (Wht)
To R12
C210
C211
C212

Related product manuals