EasyManua.ls Logo

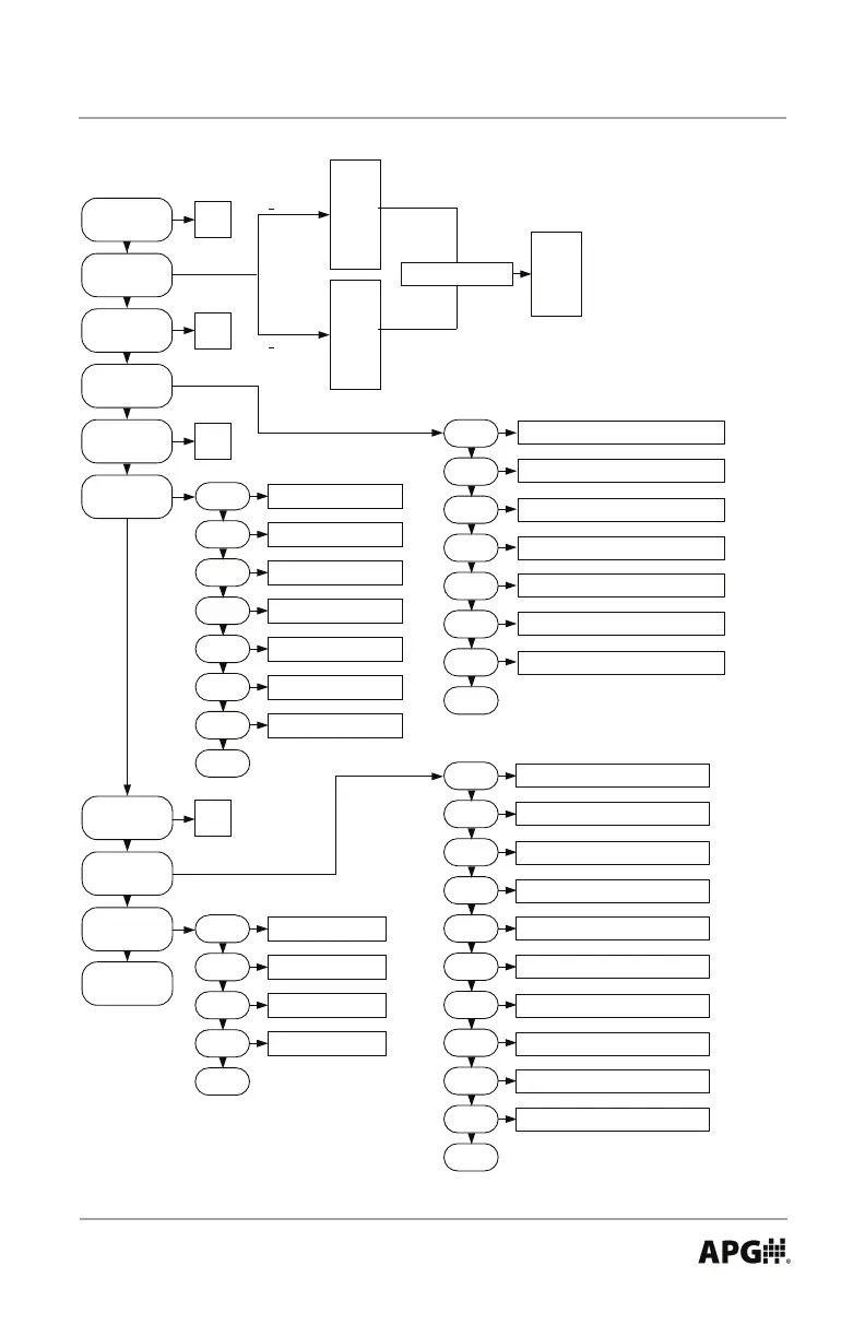
APG PG10 - Menu Flow Chart

APG PG10
44 pages
Print Icon
To Next Page IconTo Next Page
To Next Page IconTo Next Page
To Previous Page IconTo Previous Page
To Previous Page IconTo Previous Page
Loading...
Rev. B2, 8/16 PG10
5
Automation Products Group, Inc.
Tel: 1/888/525-7300 • Fax: 1/435/753-7490 • www.apgsensors.com • sales@apgsensors.com
MAXMIN
UNITS
PSI
BAR
KPA
CUSTOM
MBAR
INHG
INH
2
O
MMHG
PSI
BAR
KPA
CUSTOM
KGCM
2
MPA
FTH
2
O
CMHG
ADVSET
TARE
P HOLD
DATLOG
DEFAULT
OUTPUT
COMM
EXIT
YES
NO
YES
NO
ON
OFF
ON
OFF
DATE
TIME
SAMPLE
LOG
EVENT
VIEW
CLOCK
EXIT
AUTO
EXIT
DEC PL
SAMPLE
BAR 0
BAR100
RANGE
CALIBR
AL SET
EXIT
AH SET
AL CAL
AH CAL
T1TYPE
T1PRES
T1WIN
T2TYPE
T2PRES
T2WIN
BAUD R
EXIT
PARITY
STOPBT
SENNU
M
SET DATE MM.DD.YY
SET ANALOG HIGH PRESSURE
SET TIME HR:MIN:SEC
1s, 30s, 1m, 30m, 1hr, 1day
Connuous, Event, Stop Clear
T1ON, T2ON, T1OFF, T2OFF,
T1T2ON, T1T2OFF
VIEW LOGGED SAMPLES
ON, OFF
SET ANALOG LOW PRESSURE
SET ANALOG LOW CALIBRATION
SET ANALOG HIGH CALIBRATION
TYPE0, TYPE1, TYPE2, TYPE3, TYPE4, TYPE5
TYPE0, TYPE1, TYPE2, TYPE3, TYPE4, TYPE5
SET TRIP 1 PRESSURE
SET TRIP 1 WINDOW
SET TRIP 1 PRESSURE
SET TRIP 1 WINDOW
OFF, 2MIN, 4MIN, 8MIN, 16MIN, 32MIN, LIGHT
HI RES, MED RES, LO RES
SLOW, MEDIUM, FAST
SET BAR GRAPH 0%
SET BAR GRAPH 100%
SET RANGE
FAST CALIBRATE, ZERO AND SPAN
2400, 9600, 19200, 33400
NONE, EVEN, ODD
1 STOP, 2 STOP
SET SENSOR NUMBER
SET MULTIPLIER VALUE
LBF
KN
LBS
NEWTON
TON
TONNES
<
120 PSI
>
120 PSI
CUSTOM ONLY
CUSTOM ONLY

Related product manuals