EasyManua.ls Logo

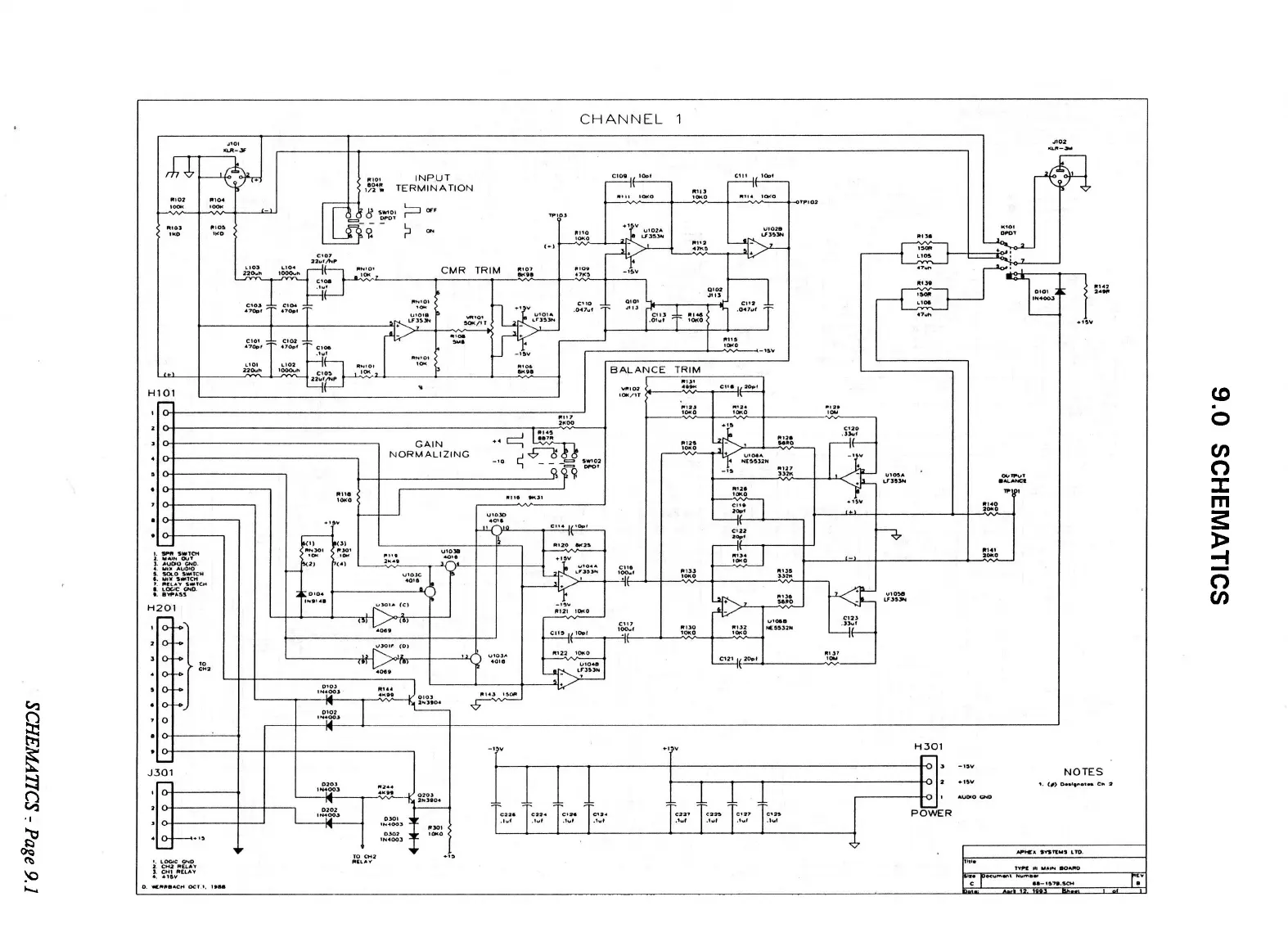
Aphex 250 - Schematics; Main Audio and Control Board Schematics

Aphex 250
56 pages
Print Icon
To Next Page IconTo Next Page
To Next Page IconTo Next Page
To Previous Page IconTo Previous Page
To Previous Page IconTo Previous Page
Loading...
SCHEMATICS r Page 9.1
9.0 SCHEMATICS

Related product manuals