EasyManua.ls Logo

Aphex 250 - Page 56

Aphex 250
56 pages
Print Icon
To Previous Page IconTo Previous Page
To Previous Page IconTo Previous Page
Loading...
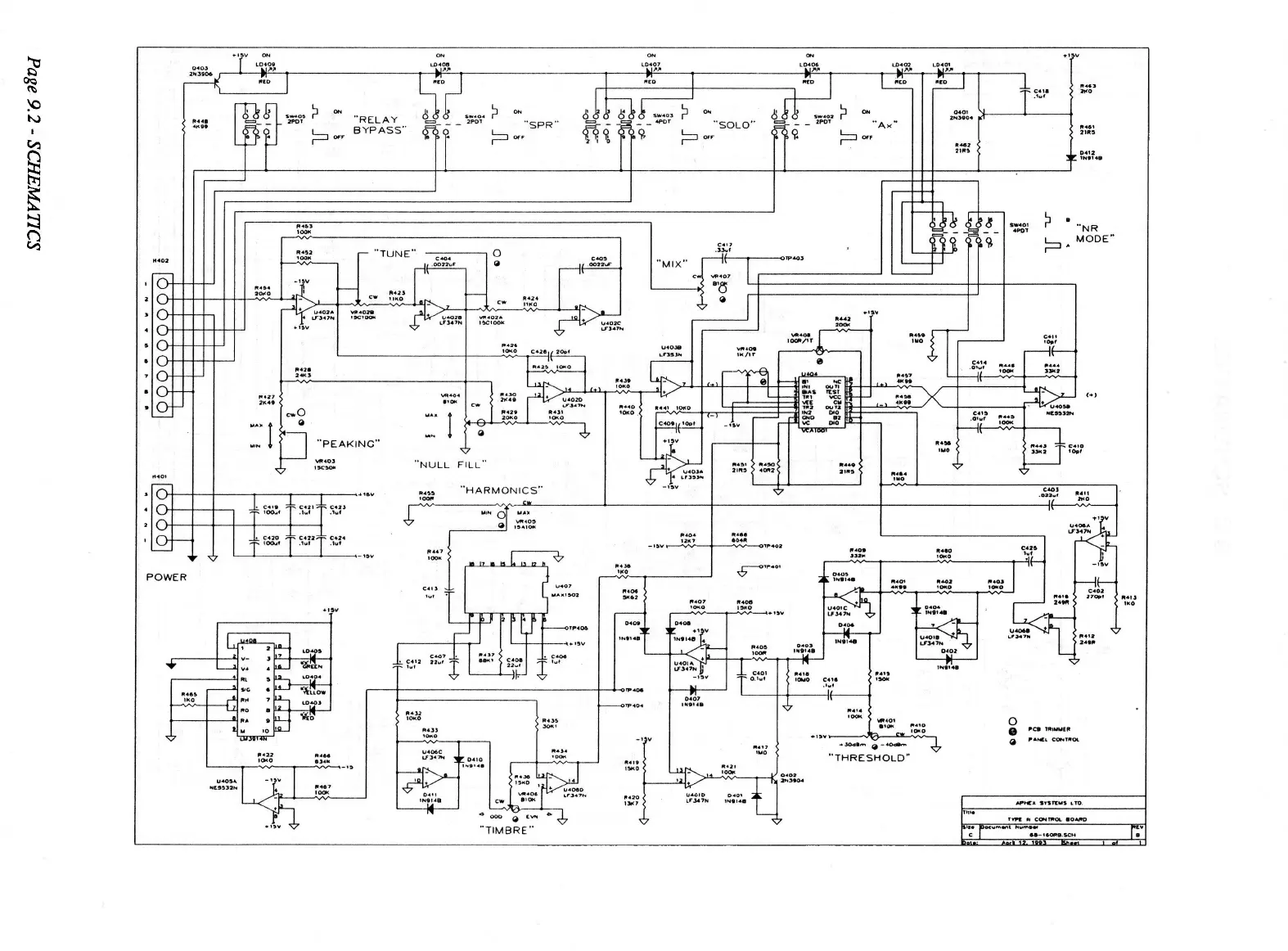
Page 9.2 - SCHEMATICS

Related product manuals