EasyManua.ls Logo

APT 8KW - Three-Phase Parallel Wiring

APT 8KW
43 pages
Print Icon
To Next Page IconTo Next Page
To Next Page IconTo Next Page
To Previous Page IconTo Previous Page
To Previous Page IconTo Previous Page
Loading...
27
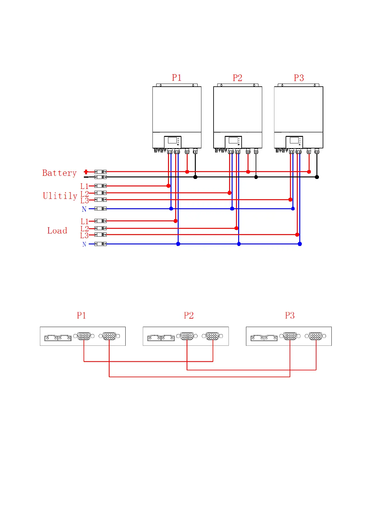
6.5 Three-phase Parallel Operation Cable Connection
1. One inverters in each phase:
Power Connection:
NOTE: The following picture is only a schematic diagram of the equipment .If the actual chassis does not
conform to the schematic due to a structural upgrade, it is subject to prior notice.
NOTE:P1: A-phase, P2: B-phase, P3: C-phase.
Communication Connection

Related product manuals