EasyManua.ls Logo

APT 8KW - Page 33

APT 8KW
43 pages
Print Icon
To Next Page IconTo Next Page
To Next Page IconTo Next Page
To Previous Page IconTo Previous Page
To Previous Page IconTo Previous Page
Loading...
31
Communication Connection
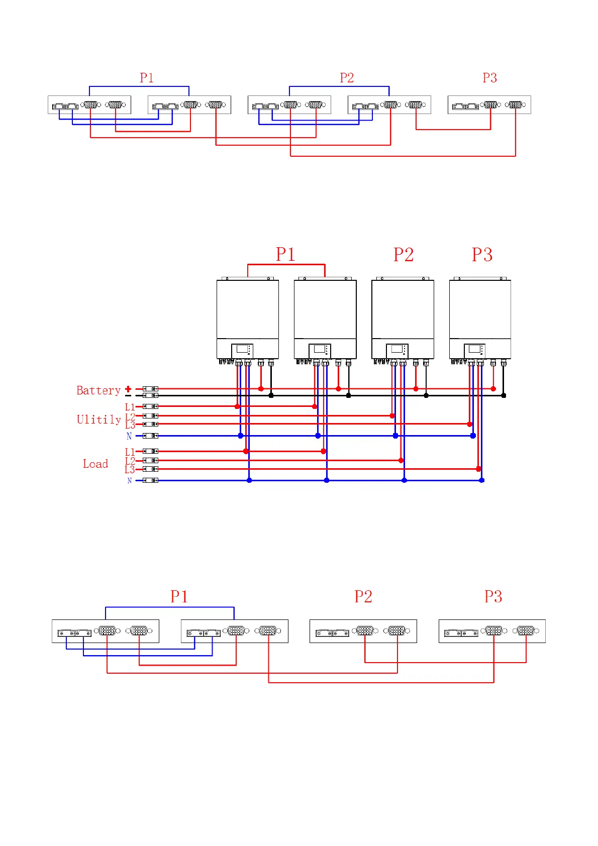
7.Two inverters in one phase and only one inverter for the remaining phases:
Power Connection:
NOTE: The following picture is only a schematic diagram of the equipment .If the actual chassis does not
conform to the schematic due to a structural upgrade, it is subject to prior notice.
NOTE:P1: A-phase, P2: B-phase, P3: C-phase.
Communication Connection

Related product manuals