EasyManua.ls Logo

arcelik K60365 - 14 Electrical Circuit Diagram

arcelik K60365
62 pages
Print Icon
To Next Page IconTo Next Page
To Next Page IconTo Next Page
To Previous Page IconTo Previous Page
To Previous Page IconTo Previous Page
Loading...
50
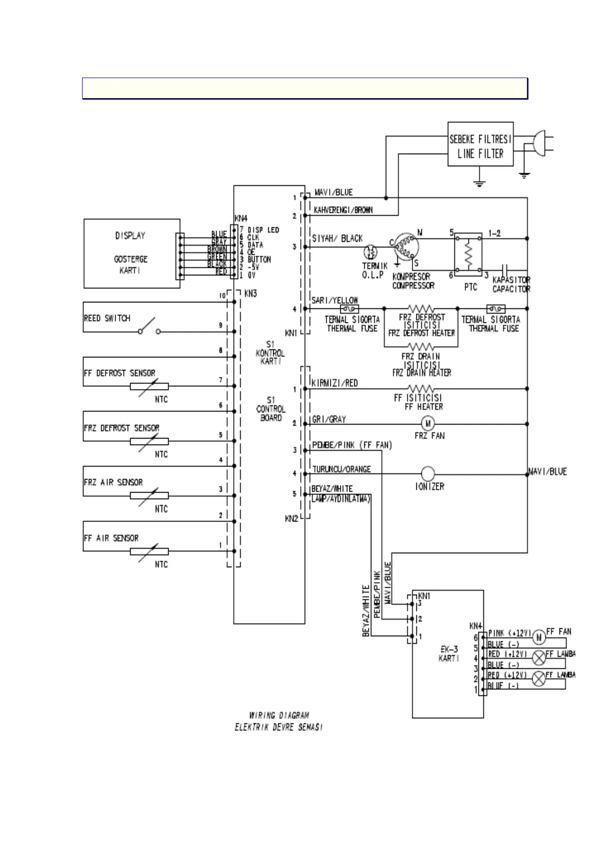
14 ELECTRICAL CIRCUIT DIAGRAM

Table of Contents

Related product manuals