EasyManua.ls Logo

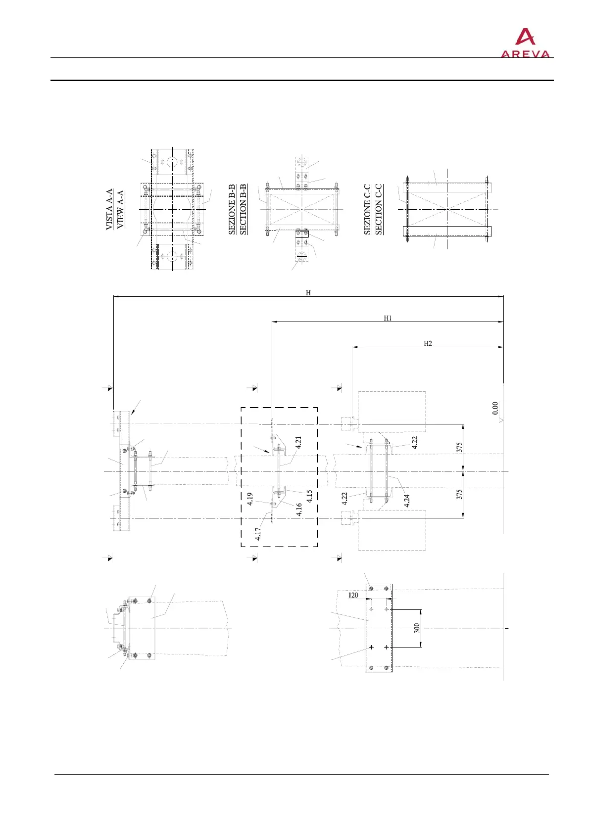
Areva S2DAT - 图 4 B: 单极 S2 Dat 隔离开关的支架结构 - 安装在矩形部分的钢筋混凝土支柱上

Areva S2DAT
100 pages
Print Icon
To Next Page IconTo Next Page
To Next Page IconTo Next Page
To Previous Page IconTo Previous Page
To Previous Page IconTo Previous Page
Loading...
INSTRUCTIONS FOR INSTALLATION AND MAINTENANCE
安装和维护说明手册
D0578-02-ZH
74/100
AREVA T&D S.p.A. – Via Meucci, 22 30020 Noventa di Piave (VE) ITALY – Tel. : 39 0421 309511 – Fax : 39 0421 65254
Subsidiary of AREVA T&D Italy SpA (AREVA group) with registered office in Via Meucci, 22 30020 Noventa di Piave (VE) - ITALY, under Art. 2359 of the Italian Civil Code.
FIG. 4B: SUPPORT STRUCTURE FOR THE SINGLE-POLE S2DAT DISCONNECTOR
–INSTALLATION ON A RECTANGULAR-SECTION REINFORCED-
CONCRETE PILLAR
4B:
单极
S2DAT
隔离开关的支架结构
-
安装在矩形部分的钢筋混凝土支柱上
4
.
0
.
1
4
.
0
.
2
4
.
2
2
4
.
2
5
4
.
2
4
4
.
2
1
4
.
2
0
4
.
1
9
4
.
1
8
4
.
1
7
4
.
1
6
4
.
1
5
4
.
1
5
4
.
2
2
4
.
2
2
4
.
2
4
4
.
0
4
.
1
3
4
.
1
1
4
.
1
0
4
.
1
4
4
.
1
2
4
.
1
1
4
.
1
4
4
.
1
3
4
.
1
0
4
.
1
2
(
*
)
4
.
0
4
.
1
1
4
.
1
3
4
.
1
4
C
C
B
B
A
A
VIEW=
SECTION=横截面

Table of Contents

Related product manuals