EasyManua.ls Logo

Areva S2DAT - Attachment B: Tightening Torques for Screws & Bolts

Areva S2DAT
100 pages
Print Icon
To Next Page IconTo Next Page
To Next Page IconTo Next Page
To Previous Page IconTo Previous Page
To Previous Page IconTo Previous Page
Loading...
INSTRUCTIONS FOR INSTALLATION AND MAINTENANCE
安装和维护说明手册
D0578-02-ZH
99/100
AREVA T&D S.p.A. – Via Meucci, 22 30020 Noventa di Piave (VE) ITALY – Tel. : 39 0421 309511 – Fax : 39 0421 65254
Subsidiary of AREVA T&D Italy SpA (AREVA group) with registered office in Via Meucci, 22 30020 Noventa di Piave (VE) - ITALY, under Art. 2359 of the Italian Civil Code.
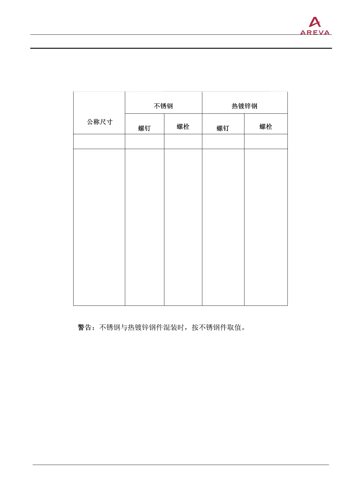
ATTACHMENT "B": TIGHTENING TORQUES FOR SCREWS & BOLTS
附件 B 螺钉螺栓紧固扭矩
STAINLESS STEEL HOT-GALVANIZED STEEL
NOMINAL
DIAMETER
SCREWS BOLTS
Nm
M4
M5
M6
M8
M10
M12
M14
M16
M18
M20
M22
M24
Nm
/
/
4.5
11
19
32
50
78
/
/
/
/
Nm
1.5
3
5
12
23
40
63
95
126
175
240
320
Nm
/
/
/
/
/
58
90
140
190
270
360
470
Nm
/
/
/
/
/
65
105
160
220
300
400
520
SCREWS BOLTS
WARNING: in case of connection of stainless steel with hot-galvanized steel,
comply with stainless steel values

Table of Contents

Related product manuals