EasyManua.ls Logo

Ariston NIMBUS PLUS S NET - Page 25

Ariston NIMBUS PLUS S NET
96 pages
Go to English
To Next Page IconTo Next Page
To Next Page IconTo Next Page
To Previous Page IconTo Previous Page
To Previous Page IconTo Previous Page
Loading...
25 / IT
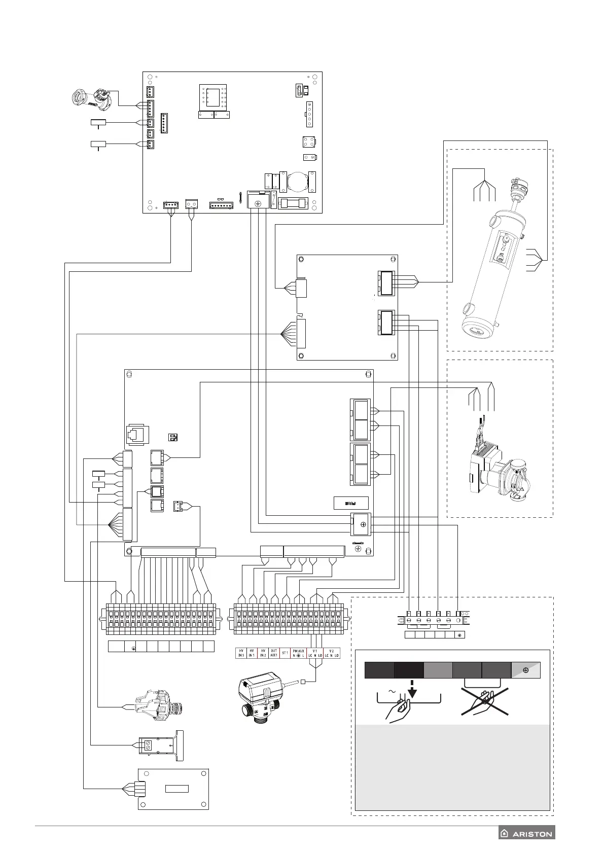
SCHEMA ELETTRICO - QUADRO UNITÀ INTERNA (WH 70 S)
BU
B T
GY
BN
BU
BN
BN
BU
BU
BUBNBK
BU
BN
BU
BN
BU
BU
WH
WH
BU
BK
BK
BK
BK
RD
RD
YE
BU
BK
BK
BK
R
M
ORBU
OR
BU
BU
BU
WHBK BK
WH
RD
BU
BK
WH
GY
GY
BK
OR
OR
BU
BU
MOD. BUS
GND A+ B-
LW T
FLOW METER
TR
ANODE
SE TNK BUF
BUS
TA 1 TA 2
B T
IN
AUX 1+24V
N N
L
321
LL
LED UI
CN1
VALVE 1
VALVE 2
PUMP 1
FUSE
230V
SERIAL
ANODE
PWM2
PWM1
CN7
SW1
CN6
CN1
CN4
CN13
CN9
CN5
CN14
CN2
CN8
EBUS
B T
EBUS
C35
PUMP 2
CN10
CN16
CN12
CN11
F1
1
1
1 1
4
31
6
1
1
1
1
1
1
SYSTEM
INTERFACE
TDM
ENERGY MANAGER
PRESSURE SWITCH
ELECTRICAL
RESISTANCE
SAFETY
THERMOSTAT
BU
YE/GN
YE/GN
BN
YE/GN
YE/GN
BN
BU
BN
YE/GN
BU
PUMP
CN14
CN10
CN13
CN6
CN7
CN12
CN9
CN8
CN11
NNL
32
3
1
LL
WH
RD
RD
BK
BN
RD
GN
GY
YE
PI
GN
GN
GY
GY
RD
RD
YE
YE
BU
OR
BK
BU
BU
230V
L N
L N
POWER OUT
CN1
CN4
POWER IN
N1 L1
N2 L2
CN3CN3
BACK UP
INTERFACE
BN
BN
BN
BU BK
BN
BN
BK = Nero
BN = Marrone
BU = Blu
RD = Rosso
OR = Arancio
YE = Giallo
GN = Verde
GY = Grigio
WH = Bianco
PI = Rosa
AVVERTENZA:
PRIMA DI ACCEDERE AI MORSETTI, SCOLLEGARE TUTTI I
CIRCUITI DI ALIMENTAZIONE.
COLLEGAMENTO ALIMENTAZIONE MONOFASE:
NON RIMUOVERE LE PIASTRE METALLICHE DALLA
PROPRIA SEDE.
COLLEGAMENTO ALIMENTAZIONE TRIFASE:
RIMUOVERE SOLO LE PIASTRE METALLICHE INSERITE TRA
LE FASI L1, L2 E L3.

Table of Contents

Related product manuals