EasyManua.ls Logo

Astoria 2GR - 7.5 Cleaning operations; 7.5.1 General instructions; 7.5.2 Washing the cappuccino maker; 7.5.3 Cleaning the filters and filter holders

Astoria 2GR
106 pages
Print Icon
To Next Page IconTo Next Page
To Next Page IconTo Next Page
To Previous Page IconTo Previous Page
To Previous Page IconTo Previous Page
Loading...
TECHNICIANS' manual
61 of 108
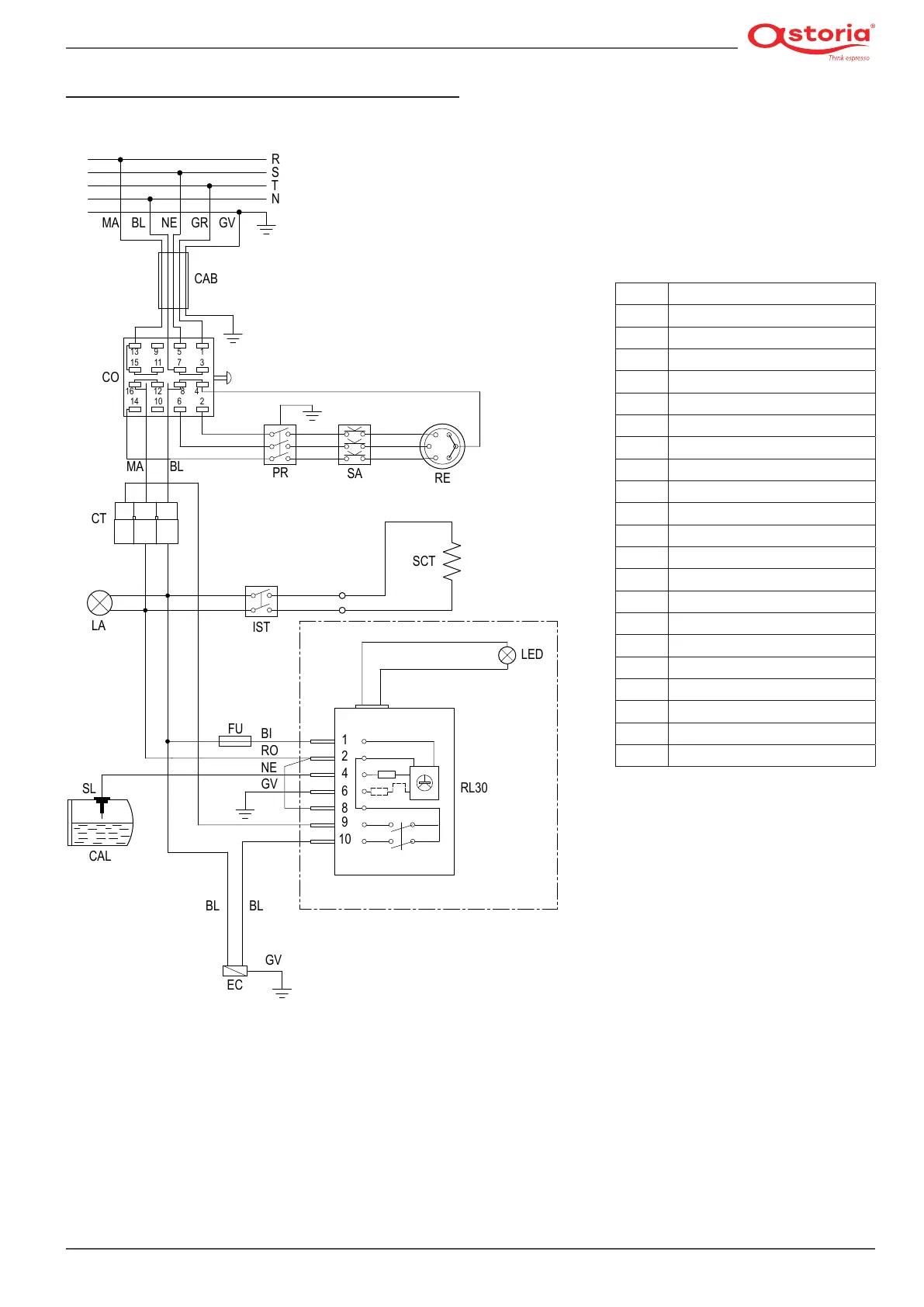
13.3 AL version
LED
BI
FU
RO
NE
GV
1
2
4
6
8
9
10
RL30
BL
GV
EC
BL
CAL
SL
13
9
5
1
3
7
11
15
16
12
8
4
2
6
10
14
SCT
LA
CT
IST
PR
SA
CO
RE
R
S
T
N
MA
BL
NE
GR
GV
CAB
MA
BL
BI
White
BL Blue
CAB Power cable
CAL Heating unit
CO Power switch
CT Power supply connector
EC Heating unit lling solenoid valve
FU Fuse
GR Grey
GV Yellow-green
LED Timeout LED
IST Cup warmer switch
LA Indicator light
MA Brown
NE Black
RO Red
PR Pressure switch
RE Heating element
RL30 AEA control unit (optional)
SA Safety heating element
SL Heating unit level probe
VE Green

Table of Contents

Other manuals for Astoria 2GR

Related product manuals