EasyManua.ls Logo

Astralux 9300A - Page 38

Astralux 9300A
43 pages
Print Icon
To Next Page IconTo Next Page
To Next Page IconTo Next Page
To Previous Page IconTo Previous Page
To Previous Page IconTo Previous Page
Loading...
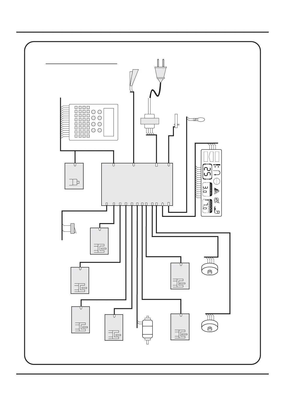
8. Circuit diagram
37
Normal
Program
Sew Prog.
STOP
AUTO
LCD Panel
Control Board
(J11)
POWER
Sensor
Sensor
Sensor
Sensor
(J16)
PEDAL
(J17)
Slide Resistor
(J8) LAMP
(J12) LCD Panel
(J4.J5)
KEYPAD
KEYPAD
Lamp
Power Plug
Foot Control
Keyboard
Tack Switch Board
Bobbin Winder Switch
(J9) Bobbin Winder Switch
Needle Position 1
(J14) Needle Position 2
(J15) Needle Position 1
Button Hole Detector
(J10) Button Hole Detector
Speed Detector
(J13) Speed Detector
DC Motor
(J1) DC Motor
Feed Stepper Detector
(J6) Feed Stepper Detector
Bight Stepper
Feed Stepper
Bight Stepper Detector
Transformer
Slide Resistor
1
2
1
2
1
3
2
4
1
3
2
4
1
3
2
4
1
3
2
4
1
2
3
4
1
2
3
4
1
2
3
4
5
6
7
8
9
10
11
12
13
14
15
16
17
18
19
20
1
2
3
4
5
6
7
8
9
10
11
12
13
14
15
16
Sensor
1
3
2
4
Sensor
1
3
2
4
Needle Position 2
(J7) Bight Stepper Detector
(J3) Bight Stepper
(J2) Feed Stepper
9300A Function diagram