EasyManua.ls Logo

Atlas Copco QAS 500 - Page 124

Atlas Copco QAS 500
130 pages
To Next Page IconTo Next Page
To Next Page IconTo Next Page
To Previous Page IconTo Previous Page
To Previous Page IconTo Previous Page
Loading...
- 124 -
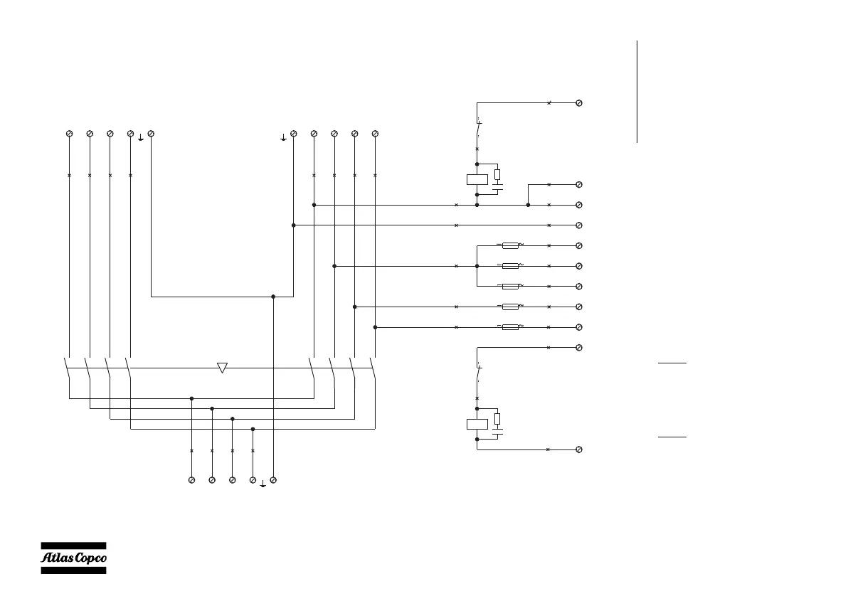
NOTE 1
X25.2 is mains L1 towards the
power supply-input of the MC,
X25.3 is the mains L1-sensing
signal on the AMF-board.
NOTE 2
X7.1, X7.2, X7.3 towards battery
charger & coolant heater.
from 3Ph generator from 3Ph mains supply
to 3Ph load
to terminals X25
(generator / remote AMF)
X1 X1 X1 X1 X1 X2 X2 X2 X2 X2
X25
PC
PC
MC
MC
N
1N
1L1
1L2
1L3
2N
2L1
2L2
2L3
L1 L2 L3 N L1 L2 L3
PC MC
1357
2468 2468
1357
6
96
91
2N
2N
92
PE
9394959739
97
2L1
2L12L22L3
PE
96
b0
b0
b0
b54
b0
b6
b6
b6
b54
b6
b0
b0
b0
b0
b0
b0
b0
b0
3N
3L1
3L2
3L3
X3 X3 X3 X3 X3
NL1L2 L3
A1
A2
A1
A2
X7
X25
X7
X25
F0
F1
F2
F3
F4
X7
X25
X25
X25
X25
2
1
3
2
1
3
4
5
7
X25
8
9822 0774 31
Applicable for QAS 500 - COC box
F0 Fuse 6A (see note 1)
F1 Fuse 6A (see note 2)
F2-4 Fuse 0.25A (see note 1)
MC Contactor mains supply
PC Contactor generator
X1 Terminal strip
X2 Terminal strip
X3 Terminal strip
X25 Terminal strip

Table of Contents

Related product manuals