EasyManua.ls Logo

Atmel ATmega8535L - Ports as General Digital I;O; Configuring the Pin

Atmel ATmega8535L
321 pages
Print Icon
To Next Page IconTo Next Page
To Next Page IconTo Next Page
To Previous Page IconTo Previous Page
To Previous Page IconTo Previous Page
Loading...
52
ATmega8535(L)
2502K–AVR–10/06
Ports as General Digital
I/O
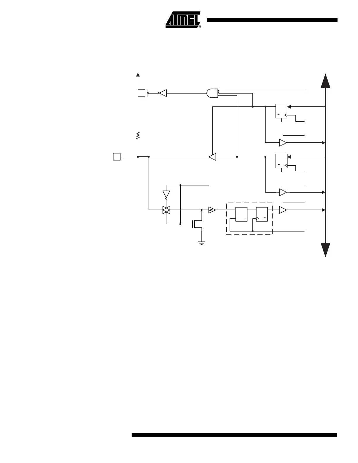
The ports are bi-directional I/O ports with optional internal pull-ups. Figure 23 shows a
functional description of one I/O-port pin, here generically called Pxn.
Figure 23. General Digital I/O
(1)
Note: 1. WPx, WDx, RRx, RPx, and RDx are common to all pins within the same port. clk
I/O
,
SLEEP, and PUD are common to all ports.
Configuring the Pin Each port pin consists of three register bits: DDxn, PORTxn, and PINxn. As shown in
“Register Description for I/O-Ports” on page 66, the DDxn bits are accessed at the
DDRx I/O address, the PORTxn bits at the PORTx I/O address, and the PINxn bits at
the PINx I/O address.
The DDxn bit in the DDRx Register selects the direction of this pin. If DDxn is written
logic one, Pxn is configured as an output pin. If DDxn is written logic zero, Pxn is config-
ured as an input pin.
If PORTxn is written a logic one when the pin is configured as an input pin, the pull-up
resistor is activated. To switch the pull-up resistor off, PORTxn has to be written logic
zero or the pin has to be configured as an output pin. The port pins are tri-stated when a
reset condition becomes active, even if no clocks are running.
If PORTxn is written a logic one when the pin is configured as an output pin, the port pin
is driven high (one). If PORTxn is written a logic zero when the pin is configured as an
output pin, the port pin is driven low (zero).
When switching between tri-state ({DDxn, PORTxn} = 0b00) and output high ({DDxn,
PORTxn} = 0b11), an intermediate state with either pull-up enabled ({DDxn, PORTxn} =
clk
RPx
RRx
WPx
RDx
WDx
PUD
SYNCHRONIZER
WDx: WRITE DDRx
WPx: WRITE PORTx
RRx: READ PORTx REGISTER
RPx: READ PORTx PIN
PUD: PULLUP DISABLE
clk
I/O
: I/O CLOCK
RDx: READ DDRx
D
L
Q
Q
RESET
RESET
Q
Q
D
Q
Q
D
CLR
PORTxn
Q
Q
D
CLR
DDxn
PINxn
DATA BUS
SLEEP
SLEEP: SLEEP CONTROL
Pxn
I/O

Table of Contents

Related product manuals