EasyManua.ls Logo

Audiolab 8000S - Digital System Interface Schematic

Audiolab 8000S
35 pages
Print Icon
To Next Page IconTo Next Page
To Next Page IconTo Next Page
To Previous Page IconTo Previous Page
To Previous Page IconTo Previous Page
Loading...
25
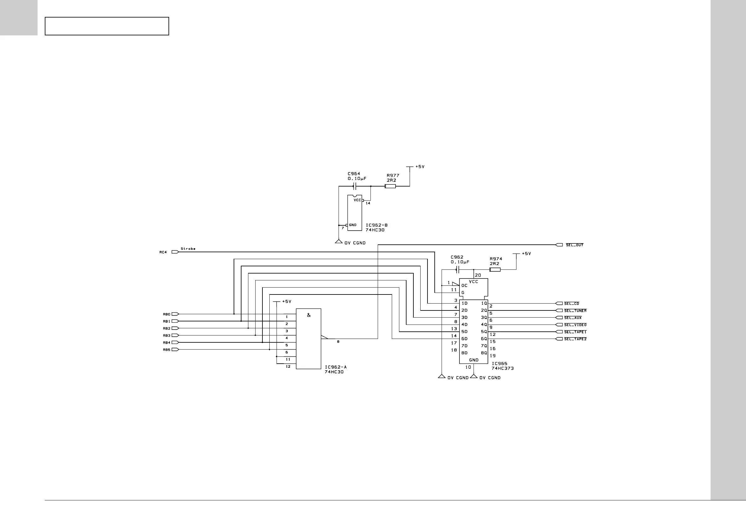
7.0 circuit schematics
7.9 Digital system interface schematic (SCH26701-03-01)

Other manuals for Audiolab 8000S

Related product manuals