EasyManua.ls Logo

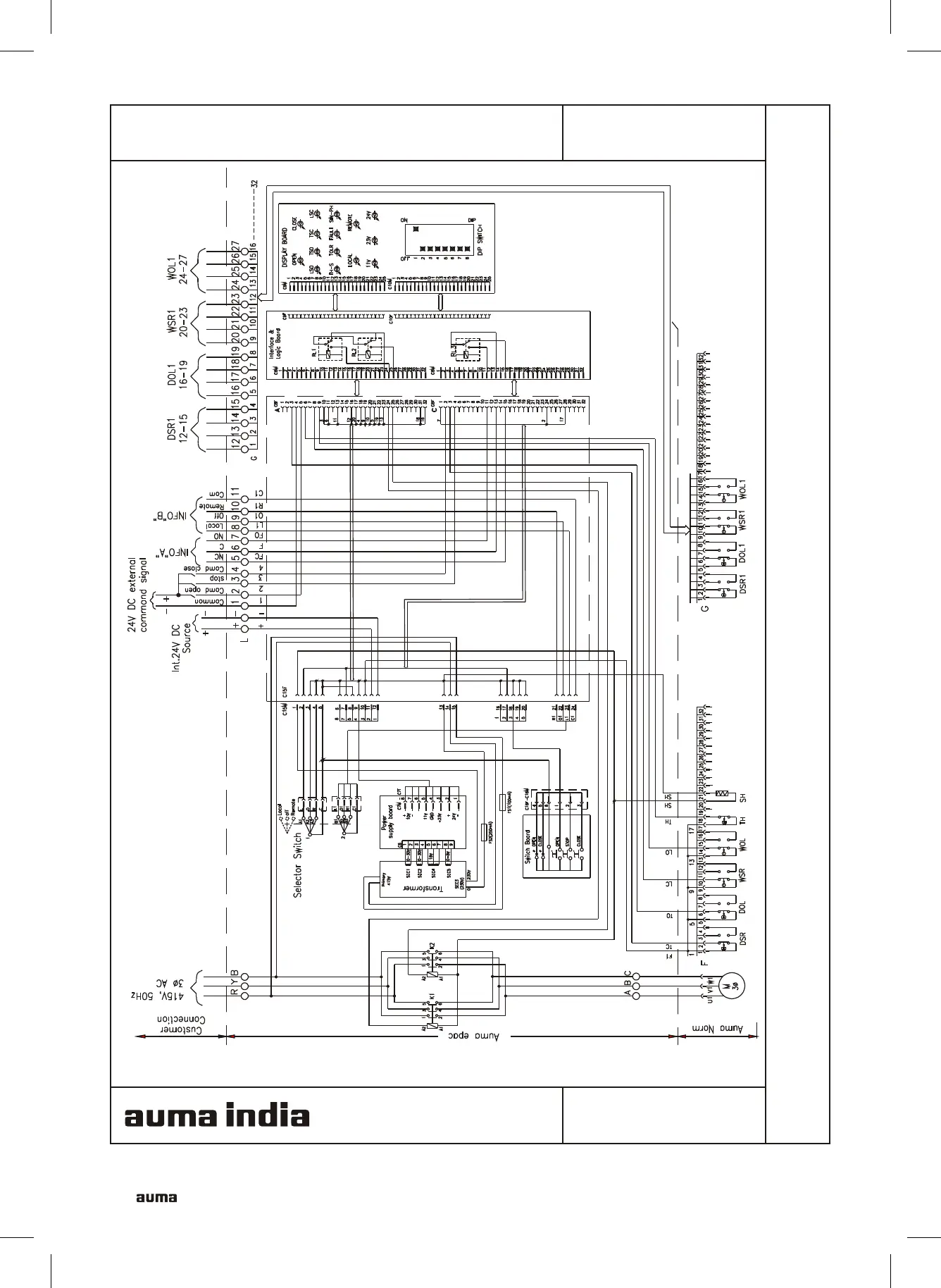
AUMA SAR 6 - Wiring Diagram: Integral Starter, e-pac

AUMA SAR 6
44 pages
Print Icon
To Next Page IconTo Next Page
To Next Page IconTo Next Page
To Previous Page IconTo Previous Page
To Previous Page IconTo Previous Page
Loading...
42
Wiring diagram - Integral starter, epac

Related product manuals