EasyManua.ls Logo

Austroflamm Clou Pellet - Detailed Electrical Wiring Diagram

Austroflamm Clou Pellet
48 pages
Print Icon
To Next Page IconTo Next Page
To Next Page IconTo Next Page
To Previous Page IconTo Previous Page
To Previous Page IconTo Previous Page
Loading...
Clou Pellet / Clou Compact Pellet User instruction 28 English
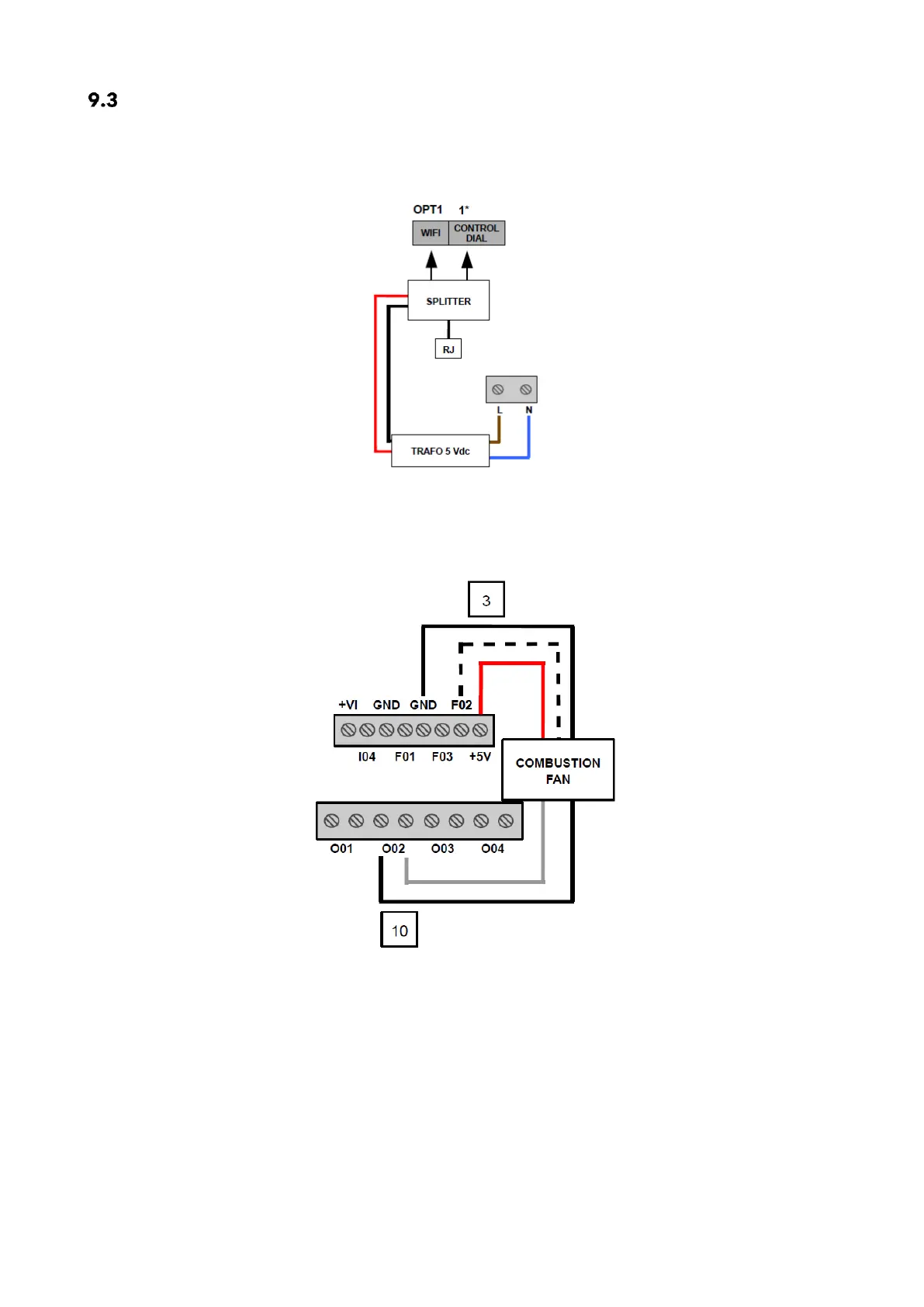
Detailed electrical wiring diagram
9.3.1 *Power splitter
9.3.2 *Combustion fan

Table of Contents

Related product manuals