EasyManua.ls Logo

Autronica AutroFlame X33AF - Page 16

Autronica AutroFlame X33AF
42 pages
To Next Page IconTo Next Page
To Next Page IconTo Next Page
To Previous Page IconTo Previous Page
To Previous Page IconTo Previous Page
Loading...
Instructions, AutroFlame X33AF, 116-P-X33AF/IGB, rev. E, 2013-08-13, P/N 95-8625-17.1, Rev: 2/13
Autronica Fire and Security AS
Page 12
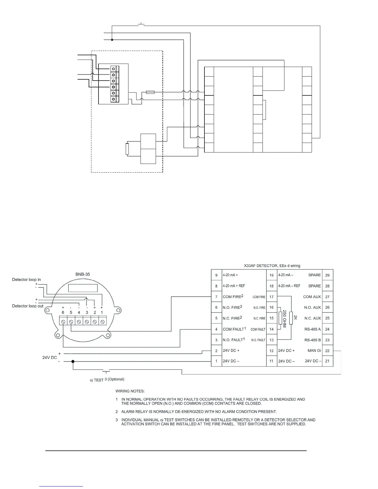
DETECTOR, EEx e wiring, non-latching detector
WIRING NOTES:
* IN ORDER TO ACHIEVE AN EEX E INSTALLATION, THE EOL RESISTOR MUST BE MOUNTED IN THE SAFE AREA.
** TERMINALS FOR CONNECTION OF THE EOL RESISTOR ARE NOT SUPPLIED AS STANDARD WITH BN-320.
1 IN NORMAL OPERATION WITH NO FAULTS OCCURRING, THE FAULT RELAY COIL IS ENERGIZED AND
THE NORMALLY OPEN (N.O.) AND COMMON (COM) CONTACTS ARE CLOSED.
2 ALARM RELAY IS NORMALLY DE-ENERGIZED WITH NO ALARM CONDITION PRESENT.
3 INDIVIDUAL MANUAL o
i
TEST SWITCHES CAN BE INSTALLED REMOTELY OR A DETECTOR SELECTOR AND
ACTIVATION SWITCH CAN BE INSTALLED AT THE FIRE PANEL. TEST SWITCHES ARE NOT SUPPLIED.
o
i
TEST
3 (Optional)
9
8
7
6
5
4
3
2
1
19
18
17
16
15
14
13
12
11
COM FIRE
2
COM FIRE
N.O. FIRE
2
N.O. FIRE
N.C. FIRE
2
N.C. FIRE
COM FAULT
1
COM FAULT
N.O. FAULT
1
N.O. FAULT
24V DC +
24V DC +
24V DC –
24V DC –
24V DC –
29
28
27
26
25
24
23
22
21
SPARE
SPARE
RS-485 A
RS-485 B
MAN Oi
4-20 mA +
4-20 mA –
4-20 mA + REF 4-20 mA – REF
COM AUX
N.O. AUX
N.C. AUX
EOL
1K5
620 OHM
*
24V DC
+
-
**
+ + - - - +
1 2 3 4 5 6
Detector loop in +
Detector loop out +
Detector loop out -
Detector loop in -
BN-300
Figure 16 – EEx d wiring option, BS-100
Figure 15 – EEx e non latching, BN-300

Other manuals for Autronica AutroFlame X33AF

Related product manuals