EasyManua.ls Logo

Axis A1001 - Page 67

Axis A1001
210 pages
Print Icon
To Next Page IconTo Next Page
To Next Page IconTo Next Page
To Previous Page IconTo Previous Page
To Previous Page IconTo Previous Page
Loading...
AXISA1001NetworkDoorController
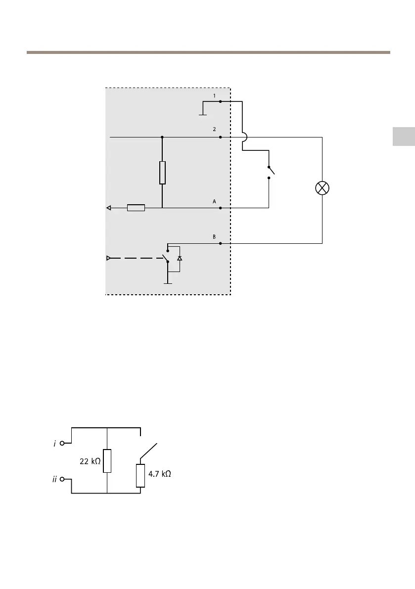
Connecteurauxiliaire
1
0VCC(-)
2
SortieCC:3,3V,max.100mA
A
Entrée/sortieconguréecommeentrée
B
Entrée/sortieconguréecommesortie
Entréessupervisées
Pourutiliserdesentréessupervisées,installezdesrésistancesdendeligneselonleschéma
ci-dessous.
iEntrée
ii
0Vcc(-)
67
FR

Table of Contents

Other manuals for Axis A1001

Related product manuals