EasyManua.ls Logo

Axis A1001 - Connection Diagrams

Axis A1001
210 pages
Print Icon
To Next Page IconTo Next Page
To Next Page IconTo Next Page
To Previous Page IconTo Previous Page
To Previous Page IconTo Previous Page
Loading...
AXISA1001NetworkDoorController
doorcontrollerisremovedfromthewallorceiling.Forinformationabouthowtocongure
alarmsandevents,seetheUserManual.
ConnectionDiagrams
Connectdevicesaccordingtothehardwarepinchartgeneratedthroughthehardware
conguration.Formoreinformationabouthardwarecongurationandthehardwarepinchart,see
ConguretheHardwareonpage41.
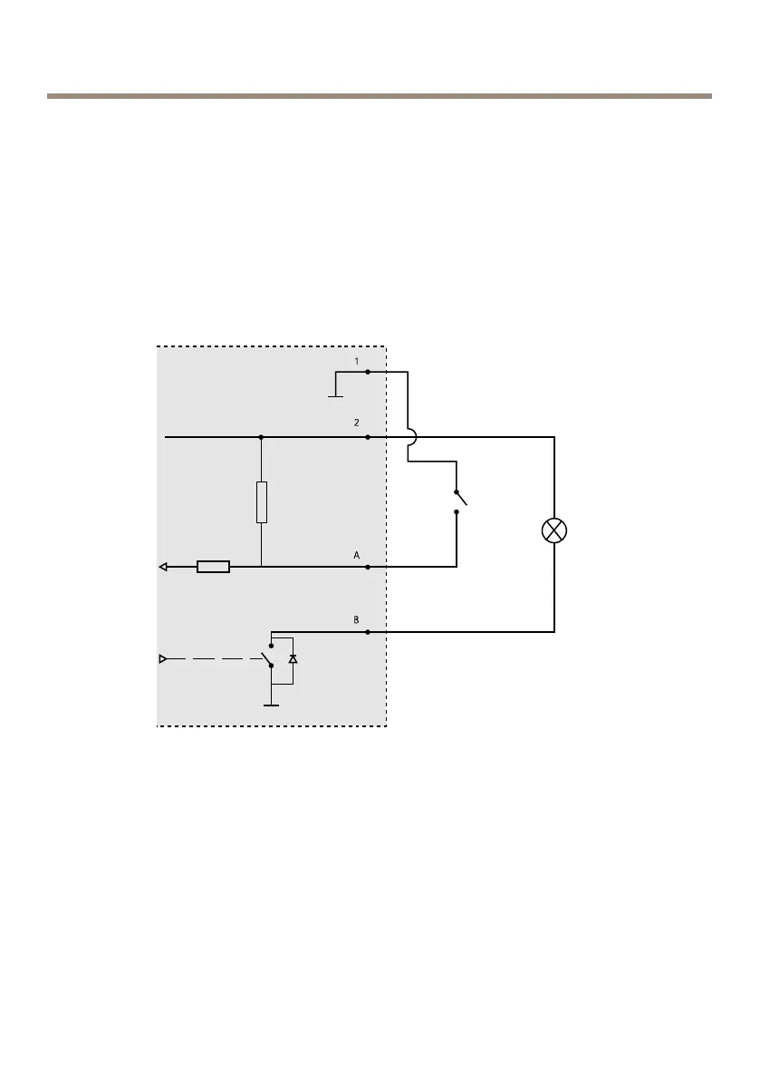
AuxiliaryConnector
1
0VDC(-)
2
DCoutput:3.3V,max100mA
A
I/Oconguredasinput
B
I/Oconguredasoutput
SupervisedInputs
Tousesupervisedinputs,installendoflineresistorsaccordingtothediagrambelow.
28

Table of Contents

Other manuals for Axis A1001

Related product manuals