EasyManua.ls Logo

Bandit 2890SP - Track Fuse Relay Harness

Bandit 2890SP
120 pages
Print Icon
To Next Page IconTo Next Page
To Next Page IconTo Next Page
To Previous Page IconTo Previous Page
To Previous Page IconTo Previous Page
Loading...
Bandit
64
Copyright 12/17
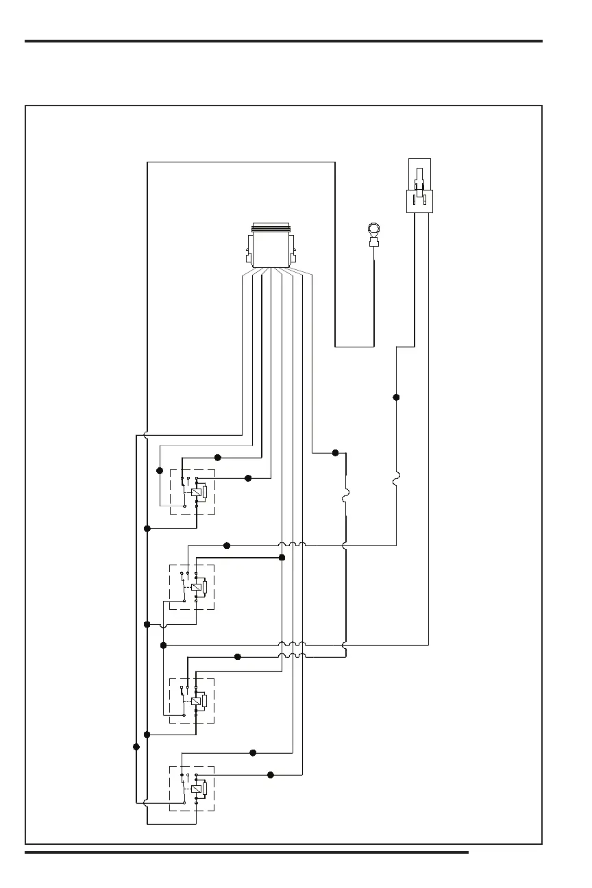
MODELS 2890SP/2900T
TRACK FUSE RELAY HARNESS - 992-8000-15
SPECIFIC SCHEMATIC FUNCTION MAY VARY DEPENDING
ON OPTIONS OR COMPONENT MANUFACTURE.
ELECTRICAL
85
86
87
87a
30
85
86
87
87a
30
85
86
87
87a
30
85
86
87
87a
30
BLU
BLU
BLK
BLK
GRN
WHT
REDRED
GRN
WHT
ORN
ORN
ORN
RED 12GA
WHT
BLK
BLK
BLU
STARTER SOLENOID COMMON RED/BLK 14GA 5
START SOLENOID RED/BLK 14GA 6
CUTTER SAFETY YEL/RED 18GA 8
MAIN POWER RED 12GA 2
15 AMP
FAN POWER RED 12GA 1
GROUND BLK 14GA
ORN
ORN
ORN
WHT
BLU
1/4" RING
DT06-08S
DTP06-2S
FAN
RELAY
POWER
RELAY
CUTTER
SAFTEY
RELAY
KILL
RELAY
KEY SWITCH ACTIVASION RED/WHT 16GA 4
COMMON RED 14GA 7
MURPHY SWITCH KILL PUR 16GA 3
E-STOP GRY 16GA 1
MURPHY SWITCH KILL PUR/BLK 16GA 2
30 AMP
ORN
ORN

Table of Contents

Related product manuals