EasyManua.ls Logo

Baoli CPCD 80 - Ⅳ. Construction, Principle, Adjustment and Maintenance of Forklift Truck; Power System; General Description

Default Icon
112 pages
Print Icon
To Next Page IconTo Next Page
To Next Page IconTo Next Page
To Previous Page IconTo Previous Page
To Previous Page IconTo Previous Page
Loading...
28
. Construction, principle, adjustment and maintenance
of forklift truck
In order to keep good condition of your truck, you must have an intimate
understanding of the construction, principle, adjustment and maintenance of the forklift
truck. When find damage or a fault at the truck, stop operating the truck and inform a
professional serviceman. Use genuine parts of our company for replacement.
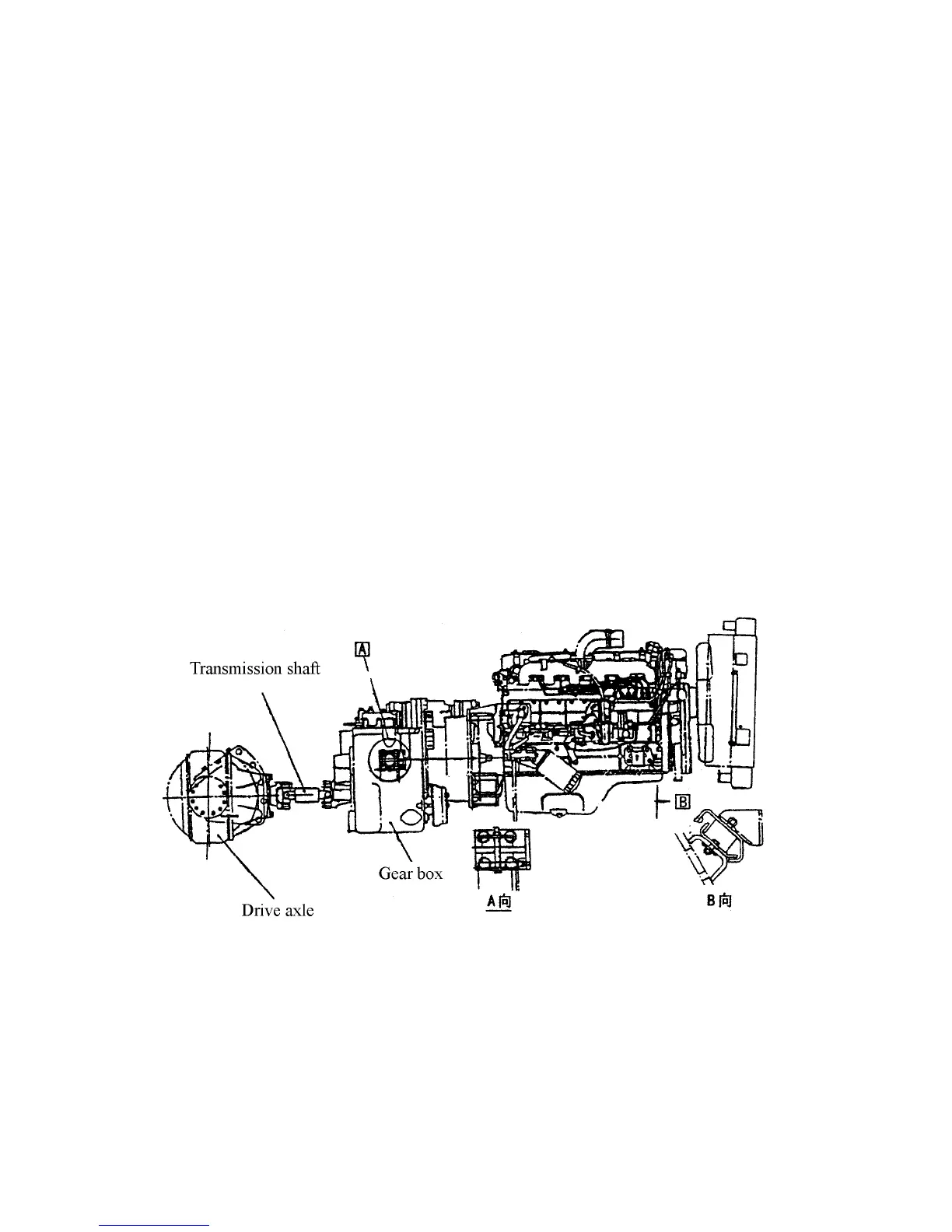
1. Power system
1.1 General description
Power system consists of the engine, fuel system, cooling system and exhaust
system. The engine is connected with the frame by rubber cushion to avoid vibration
(Fig.1.1).
For the construction and adjustment of engine, please refer to the operation and
maintenance manual of engine.
Fig. 1.1 Installation of engine

Table of Contents

Related product manuals