EasyManua.ls Logo

Baoli CPCD 80 - Parking Brake; Wheel Brake

Default Icon
112 pages
Print Icon
To Next Page IconTo Next Page
To Next Page IconTo Next Page
To Previous Page IconTo Previous Page
To Previous Page IconTo Previous Page
Loading...
58
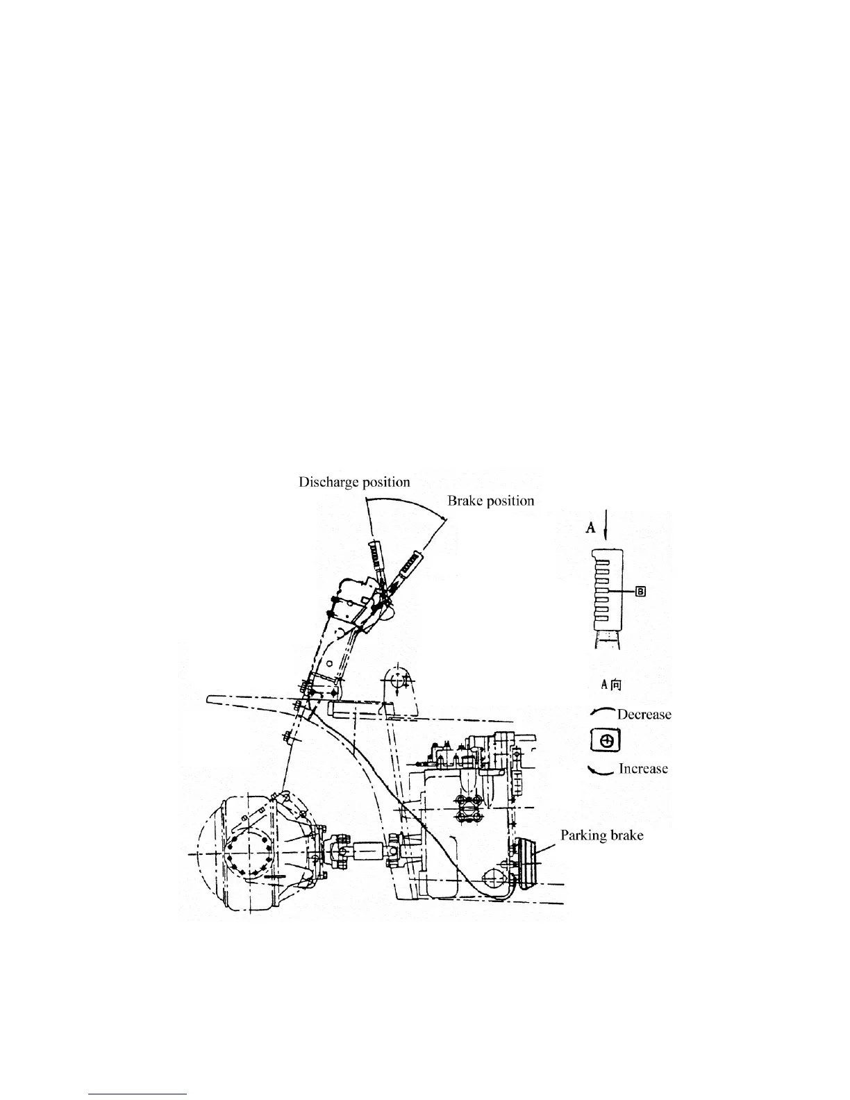
4.3 Parking brake
The parking brake is of internal expansion and lining type, and built in the output
shaft of the torque converter transmission.
The operation of the parking brake is shown in Fig.4.5.
When the forklift truck parks on a slope with standard capacity, the hand operation
force should below 300N. Adjust the pull force by diagrammatic direction.
4.4 Wheel brake (Fig. 4.6)
Wheel brake is clamp brake, installing symmetry around. Clamp brake consists of
clamp body, operating cylinder (four by one couple), rub pieces (two by one couple),
brake plate. The structure is seen in the picture. The wheel brake is consisting of a pair
of brake shoes, operating cylinder, a adjuster, 3-4 return springs and backing plates.
Two wheel brakes are provided on each end of the front axle. The adjuster adjusts the
clearance between the brake shoes and the inner surface of brake drum.
Fig. 4.5 Parking brake device

Table of Contents

Related product manuals