EasyManua.ls Logo

Baoli CPCD 80 - Charging Pump

Default Icon
112 pages
Print Icon
To Next Page IconTo Next Page
To Next Page IconTo Next Page
To Previous Page IconTo Previous Page
To Previous Page IconTo Previous Page
Loading...
42
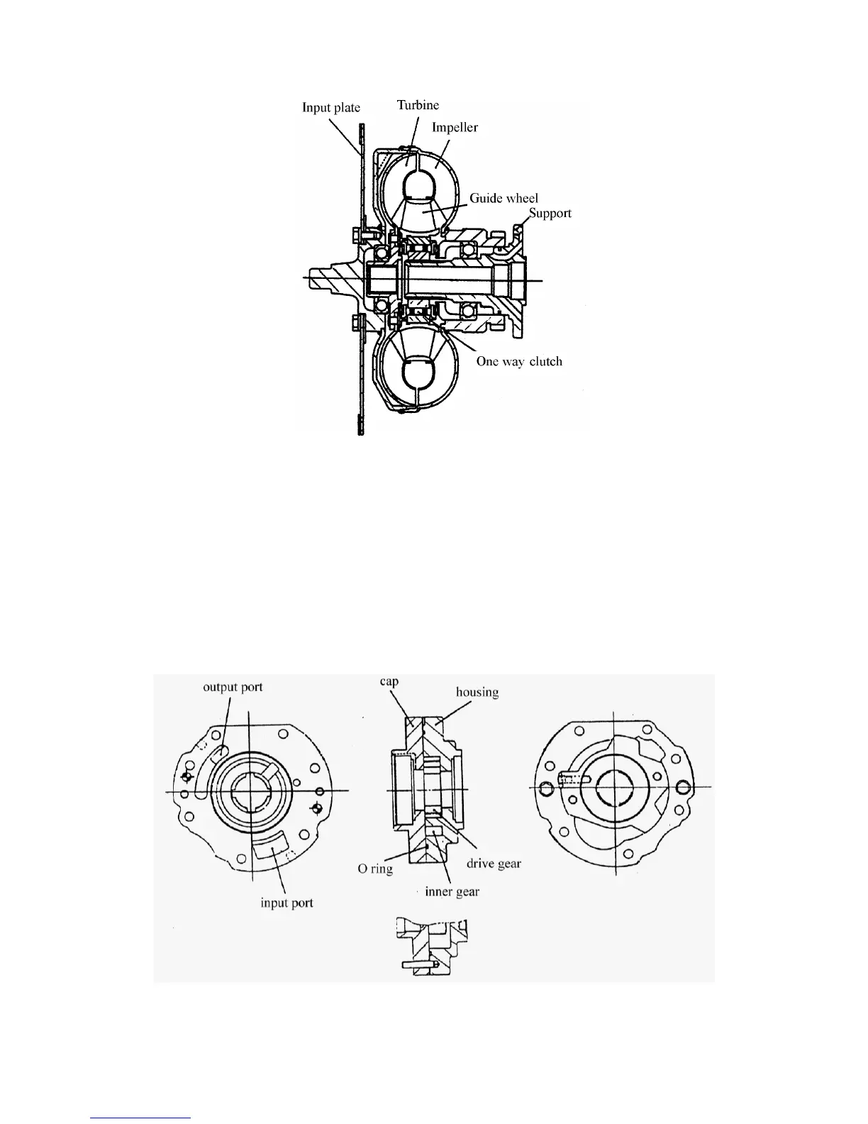
Fig.2.2 Torque conv
Fig 2.2 Torque converter
2.3 Charging pump
Fig 2.3 shows the structure of charging pump.
The charging pump consists of drive gear, driven gear, case and cover. They are
fixed on the head of torque converter housing. The drive gear is driven by pump wheel,
driven gear and drive gear, the charging pump feeds oil in the under part of
transmission to each part of it.
Fig.2.3 Charging pump

Table of Contents

Related product manuals