EasyManua.ls Logo

BEIER-Electronic USM-RC-3 - Wiring Diagram MIX Mode

BEIER-Electronic USM-RC-3
123 pages
Print Icon
To Next Page IconTo Next Page
To Next Page IconTo Next Page
To Previous Page IconTo Previous Page
To Previous Page IconTo Previous Page
Loading...
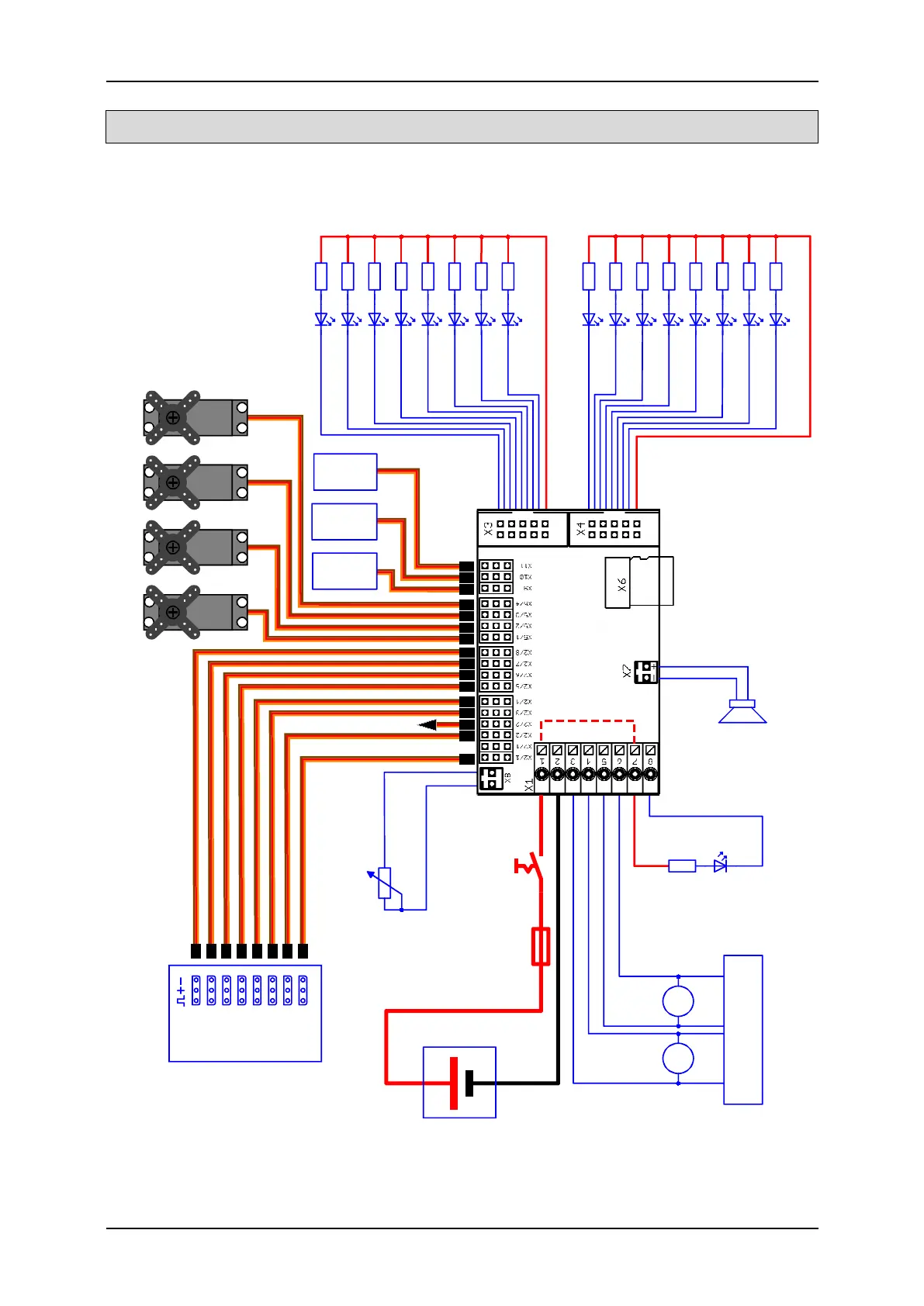
GB Sound module USM-RC-3
14 BEIER-Electronic 11.10.2021
RC receiver
Servo
Servo
1
Servo
2
Servo
3
Volume
100k
Battery
5 - 15 V
(max.
4S LiPo)
+
-
Outputs minus
switching
Servo
4
Servo Servo
Prop #1
Prop #2 (Steering)
Prop #3
Prop #4
Prop #5
Prop #6 (BTC-1)
Prop #7
Prop #8 (S-BUS, SUMD, i-BUS)
Servo
-
+
Loudspeaker
4 - 8 Ohm
Kraftwerk
EasyBus
IR / BT
transmitter
Data cable
K-USB-2
4 A
Fuse
(important!)
Main
switch
USM-RC-3
Micro
SD card
1 - 32 GB
(optional)
+
-
MM
Motor 1 Motor 2
Speed controller
(Option)
+
-
+
-
Output 17
(high current,
max. 3 A)
Steering servo
Output 9
Output 10
Output 11
Output 12
Output 13
Output 14
Output 15
Output 16
Output 1
Output 2
Output 3
Output 4
Output 5
Output 6
Output 7
Output 8
braun
red
orange
yellow
green
blue
purple
grey
white / black
brown
red
orange
yellow
green
blue
purple
grey
white / black
Wiring diagram Mix mode

Table of Contents