EasyManua.ls Logo

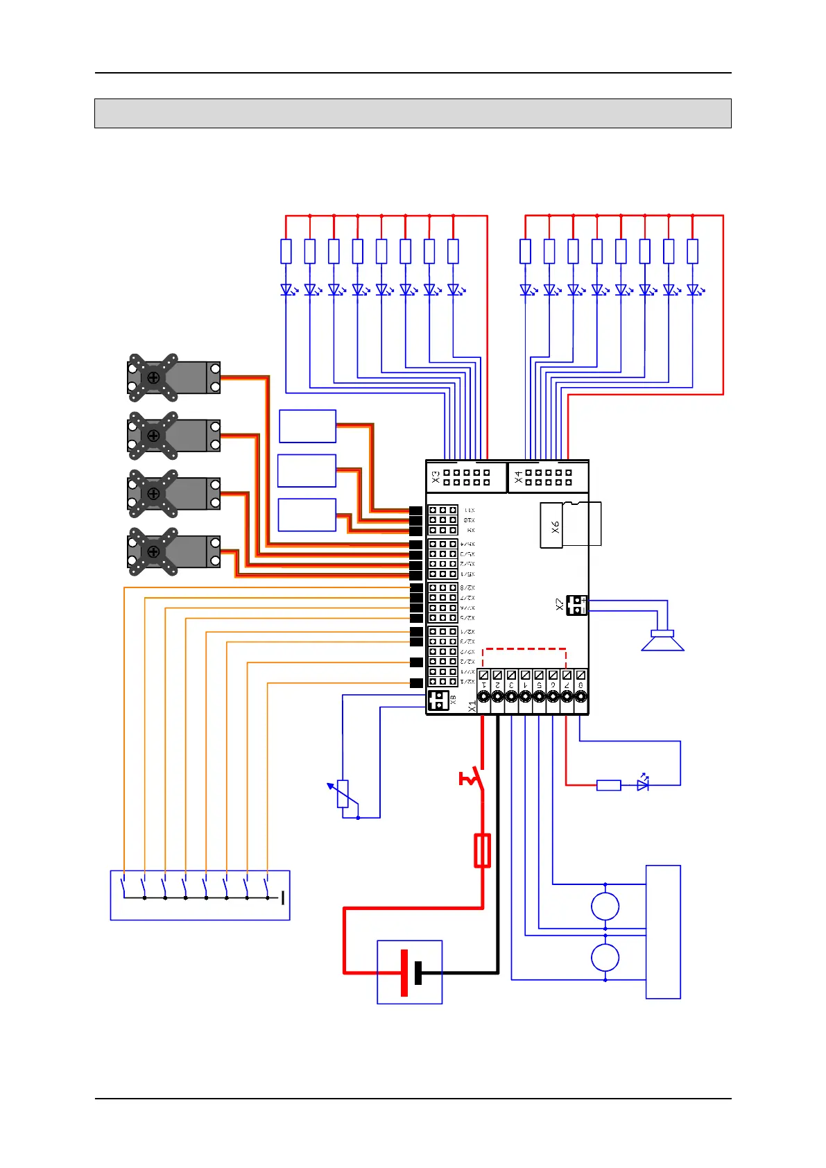
BEIER-Electronic USM-RC-3 - Wiring Diagram Analog Mode

BEIER-Electronic USM-RC-3
123 pages
Print Icon
To Next Page IconTo Next Page
To Next Page IconTo Next Page
To Previous Page IconTo Previous Page
To Previous Page IconTo Previous Page
Loading...
GB Sound module USM-RC-3
16 BEIER-Electronic 11.10.2021
MM
Motor 1 Motor 2
Speed controller
(Option)
+
-
+
-
Servo
Servo
1
Servo
2
Servo
3
Volume
100k
Battery
5 - 15 V
(max.
4S LiPo)
+
-
Outputs minus
switching
Servo
4
Servo Servo
Servo
-
+
Loudspeaker
4 - 8 Ohm
Kraftwerk
EasyBus
IR / BT
transmitter
Data cable
K-USB-2
e.g. switching module
Output 17
(high current,
max. 3 A)
4 A
Fuse
(important!)
Main
switch
USM-RC-3
Micro
SD card
1 - 32 GB
(optional)
+
-
Input 1
Input 2
Input 3
Input 4
Input 5
Input 6
Input 7
Input 8
Output 9
Output 10
Output 11
Output 12
Output 13
Output 14
Output 15
Output 16
Output 1
Output 2
Output 3
Output 4
Output 5
Output 6
Output 7
Output 8
braun
red
orange
yellow
green
blue
purple
grey
white / black
brown
red
orange
yellow
green
blue
purple
grey
white / black
Wiring diagram Analog mode

Table of Contents