EasyManua.ls Logo

Beijer Electronics BFI-H3 - Overview Control Inputs;Outputs

Beijer Electronics BFI-H3
32 pages
Print Icon
To Next Page IconTo Next Page
To Next Page IconTo Next Page
To Previous Page IconTo Previous Page
To Previous Page IconTo Previous Page
Loading...
Beijer Electronics Frequency Inverter BFI-H3 KI00363D 2021-07
www.beijerelectronics.com 11 (32)
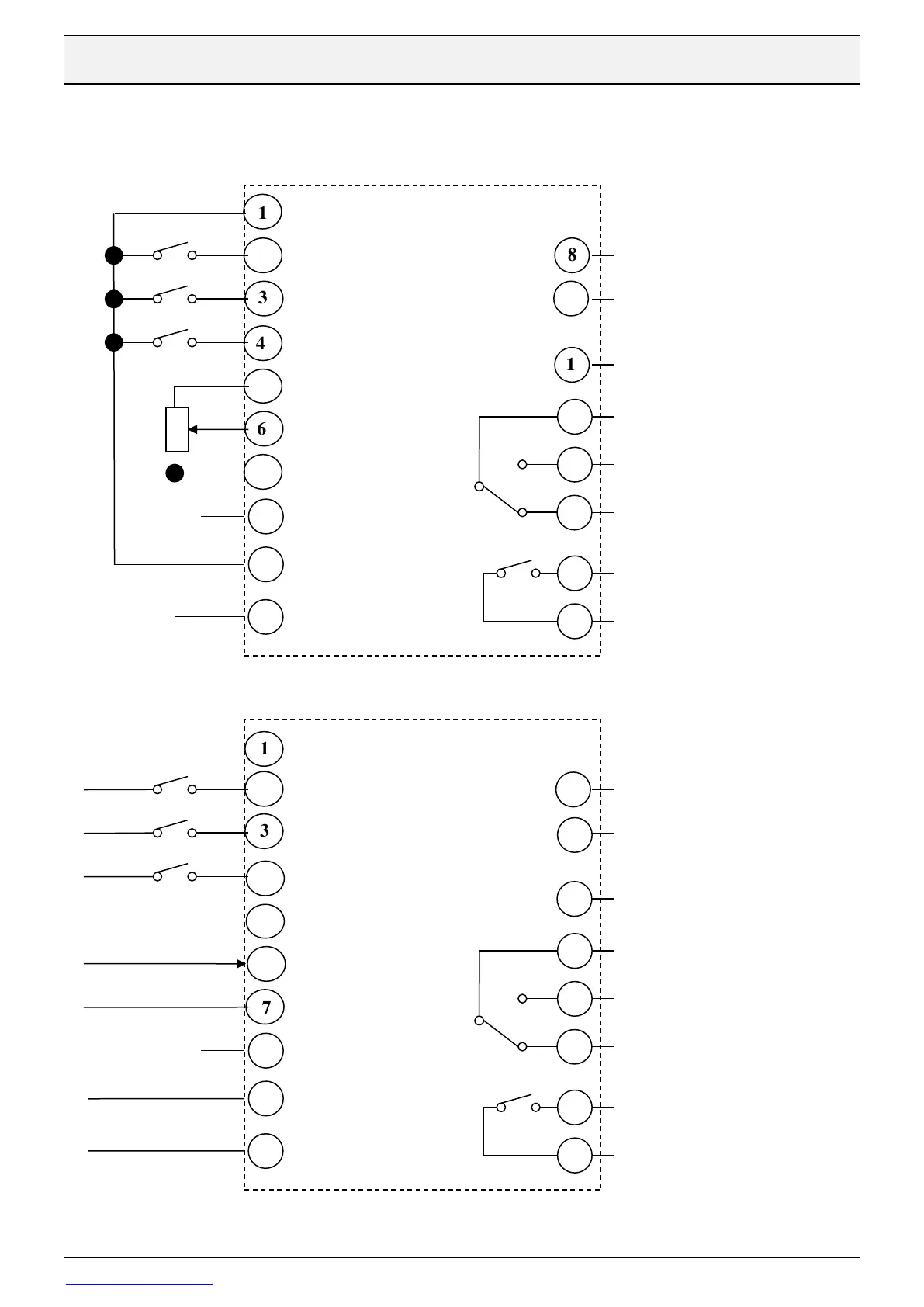
4.10 Overview control inputs/outputs
Picture below shows an overview of control signals for the drive and factory set functionality
when the internal 24 VDC of the BFI is being used.
Picture below shows an overview of control signals for the drive and factory set functionality
when an external 24 VDC is being used.
DIN1: Startsignal and Reset
DIN2: Analog or Preset speed
DNI3: Analog1 or Analog2
+24 VDC
AIN1: Analog ref 1
+10 VDC
AOUT1: 0-10 V / 24 VDC
Output frequency 0-10 V
0 VDC
0 V reference
Relay Output 2
Drive Enabled
17
18
10
12
13
AIN2: Analog ref 2
STO+ Safety in +
STO- Safety in -
AOUT2: 0-10 V / 24 VDC
Output current 0-10 V
Relay Output 1
Drive Healthy
14
15
16
1
2
3
4
5
6
7
8
9
11
DIN1: Startsignal and Reset
DIN2: Analog or Preset speed
DNI3: Analog1 or Analog2
+24 VDC
AIN1: Analog ref 1
+10 VDC
AOUT1: 0-10 V / 24 VDC
Output frequency 0-10 V
0 VDC
0 V reference
Relay Output 2
Drive Enabled
17
18
10
12
13
AIN2: Analog ref 2
STO+ Safety in +
STO- Safety in -
AOUT2: 0-10 V / 24 VDC
Output current 0-10 V
11
Relay Output 1
Drive Healthy
14
15
16
24 VDC
24 VDC
24 VDC
Extern 24 VDC
Extern 0 VDC
Extern 0 VDC
8
9
7
2
1
3
4
5
6

Related product manuals