EasyManua.ls Logo

Bell System CS106 - Cable Planning; Cable Requirements

Default Icon
48 pages
Print Icon
To Next Page IconTo Next Page
To Next Page IconTo Next Page
To Previous Page IconTo Previous Page
To Previous Page IconTo Previous Page
Loading...
CS106/BL106 Combined Door Entry and Coded Access
38
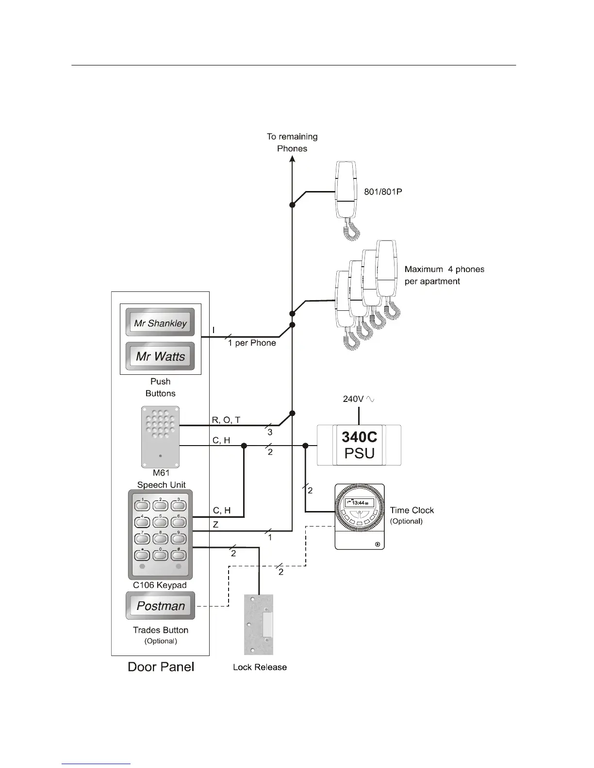
Cable Planning
Cable Requirements