EasyManua.ls Logo

Bell System CS106 - C106 Keypad - Installation Guide; Wiring, Cables, and Power Supply Safety

Default Icon
48 pages
Print Icon
To Next Page IconTo Next Page
To Next Page IconTo Next Page
To Previous Page IconTo Previous Page
To Previous Page IconTo Previous Page
Loading...
CS106/BL106 Combined Door Entry and Coded Access
9
Installation
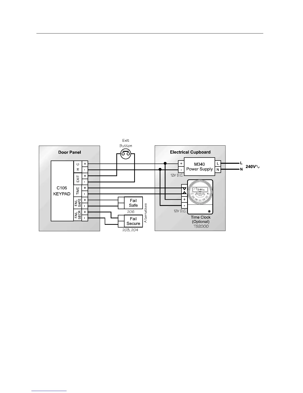
Read carefully all of the information presented in this chapter and then install the
system in accordance with the wiring diagram below.
Wiring for the C106 Keypad