EasyManua.ls Logo

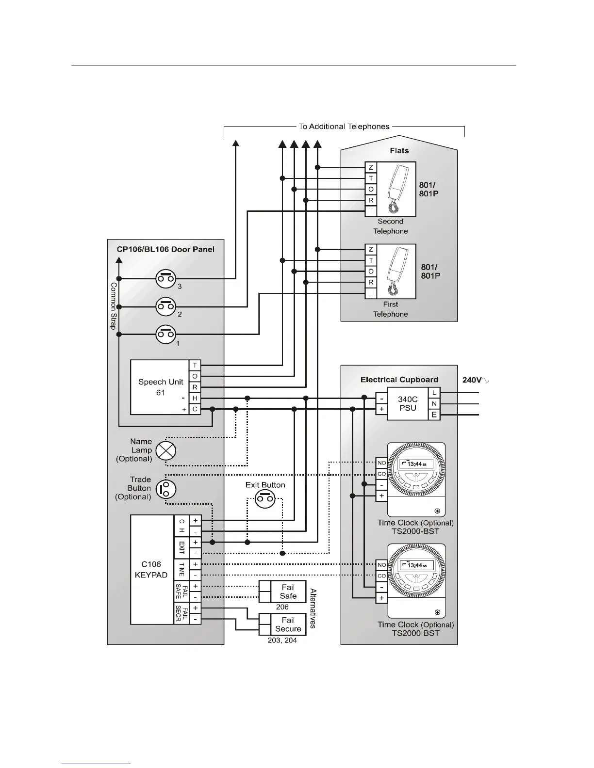
Bell System CS106 - Multi-way Combined System Wiring

Default Icon
48 pages
Print Icon
To Next Page IconTo Next Page
To Next Page IconTo Next Page
To Previous Page IconTo Previous Page
To Previous Page IconTo Previous Page
Loading...
CS106/BL106 Combined Door Entry and Coded Access
45
CS106-N/BL106-N Wiring (Multi-way Combined)