EasyManua.ls Logo

BendPak HD-14T - Page 34

BendPak HD-14T
76 pages
Print Icon
To Next Page IconTo Next Page
To Next Page IconTo Next Page
To Previous Page IconTo Previous Page
To Previous Page IconTo Previous Page
Loading...
HD-14T Four Post Lift 34 P/N 5900037Rev. F February 2022
4. With the Lifting Cable in place, reinstall the Gusset Sheave and the Cable Lock Pin in Post A.
5. Make sure Lifting Cable A is correctly positioned: in between the Gusset Sheave and the Slack
Safety Sheave, with the Cable Lock Pin
under
it.
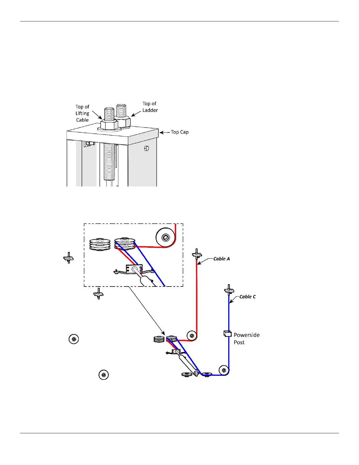
6. Push the Threaded End of Lifting Cable A up to and through the Top Cap (at the top of the Post)
and
hand tighten
it in place with the Nut and Washer you removed earlier.
You only want to hand tighten the Nut at this point so that there is a little play in the cabling. We
will securely tighten all four Nuts later in the installation procedure.
Drawing shows the Threaded end of the
Lifting Cable in position in the Top Cap.
View is from the top of the Post.
Not all components are shown.
7.
Switching to Lifting Cable C
, repeat Steps 1 through 7 for Lifting Cable C, starting at the
Small Window near the bottom of Post C (the Power Post).
8. Reinstall a Single Cable Sheave and then make sure Lifting Cable C is correctly positioned in the
Cable Sheave in the Small Window.
9. Under the Powerside Runway, move the rest of Lifting Cable C back towards the Crosstube with
Large Windows.

Other manuals for BendPak HD-14T

Related product manuals