EasyManua.ls Logo

BendPak HD-14T - Page 33

BendPak HD-14T
76 pages
Print Icon
To Next Page IconTo Next Page
To Next Page IconTo Next Page
To Previous Page IconTo Previous Page
To Previous Page IconTo Previous Page
Loading...
HD-14T Four Post Lift 33 P/N 5900037Rev. F February 2022
The following procedure assumes you have the four Lifting Cables and Sheaves you removed prior to
installing the Runways.
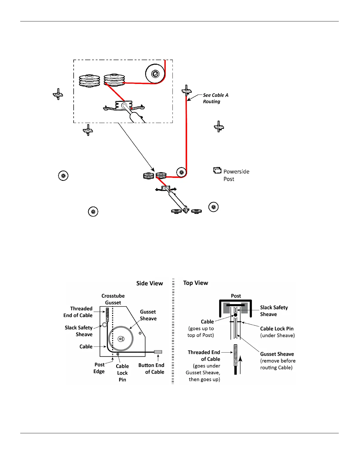
To route Lifting Cables A and C:
1.
Starting with Lifting Cable A
, remove the Nut and Washer from the Threaded End (but keep
it nearby, you will need it soon). Check the label to make sure you have the correct Lifting Cable.
2. Route the Threaded End of Lifting Cable A into its Large Window on the Crosstube, push it
towards Post A, and then pull the Threaded End out of the Crosstube at the bottom of the Gusset.
3. Route the Threaded End of Lifting Cable A under where the Gusset Sheave will go when it is
reinstalled, then route it up past the top of the Crosstube Gusset.
Important: When routing a Lifting Cable in its Post, the Cable must go
under
the Gusset Sheave
and be on the side of the Slack Safety Sheave. When the Cables are pulled tight, the
Cable prevents the Slack Safety from engaging, which is what you want. If the Cable is
not in this exact location
, the Slack Safeties will
not
work correctly.

Other manuals for BendPak HD-14T

Related product manuals