EasyManua.ls Logo

BendPak HD-7P - Page 39

BendPak HD-7P
92 pages
Print Icon
To Next Page IconTo Next Page
To Next Page IconTo Next Page
To Previous Page IconTo Previous Page
To Previous Page IconTo Previous Page
Loading...
HD-7P / HD-7W Four-Post Lifts 39 P/N 5900041Rev. M July 2019
19. Reinstall the double Cable Sheave.
Make sure to keep both Lifting Cables: in their correct positions (C on top, A on the bottom), sitting
correctly in the Sheaves, and free from any entanglements.
20. Route Lifting Cables A and C towards the Pull Box.
21. Put both Lifting Cables into the correct side of the Pull Box, with the Button Ends of both heading
back out of the Pull Box.
22. Reinstall the double Cable Sheave in the Pull Box, again making sure to keep both Lifting Cables:
in their correct positions (C on top, A on the bottom), sitting correctly in the Sheaves, and free from
any entanglements.
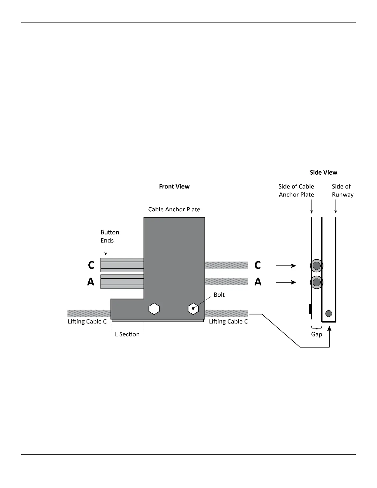
23. Route the Button Ends of both Lifting Cables A and C towards the Cable Anchor Plate on the side
of the Runway.
24. Unscrew the Bolts at the bottom of the Cable Anchor Plate, slide the Lifting Cables into position in
the Cable Anchor Plate (in the Gap, over the L section, back up against the Cable Anchor Plate,
and with C on top and A on the bottom), and then reinstall the Bolts.
Not necessarily to scale. Not all components shown.
Note: If Lifting Cables A and C are stretched tight and you cannot get the Button Ends over the
L section of the Cable Anchor Plate, you can temporarily remove the double Cable
Sheave in the Pull Box to get a little slack. This issue does not happen often; there is
usually slack in the Lifting Cables, depending on how far the Piston was extended.
25. If you see slack in the Lifting Cables, this is normal. It will go away when you start using the Lift.

Other manuals for BendPak HD-7P

Related product manuals