EasyManua.ls Logo

BendPak HD-7W - Wiring Diagrams

Default Icon
92 pages
Print Icon
To Next Page IconTo Next Page
To Next Page IconTo Next Page
To Previous Page IconTo Previous Page
To Previous Page IconTo Previous Page
Loading...
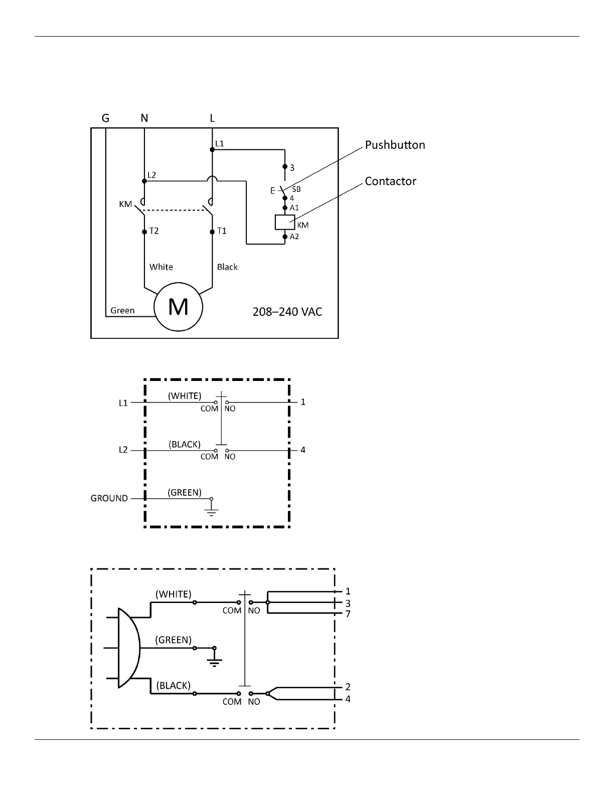
HD-7P / HD-7W Four-Post Lifts 77 P/N 5900041Rev. M July 2019
Wiring Diagrams
5585280
5585181
5585178

Other manuals for BendPak HD-7W

Related product manuals