EasyManua.ls Logo

BendPak HDS-14LSX - Connecting the Power Source

BendPak HDS-14LSX
80 pages
Print Icon
To Next Page IconTo Next Page
To Next Page IconTo Next Page
To Previous Page IconTo Previous Page
To Previous Page IconTo Previous Page
Loading...
HDS-14LSX / HDS-14LSXE Lifts 50 P/N 5900162April 2018 Rev. F3
Connecting the Power Source
The standard Power Unit for your Lift is 208-240 VAC, 50/60 Hz, single phase. The Power Unit must
be connected to an appropriate power source.
Your Power Unit may be one of two types; both types do the same thing. The only differences
between them are minor location differences for some components.
Refer to Wiring Diagrams for wiring information about both Power Units.
DANGER All wiring
must
be performed by a licensed, certified electrician. Do not perform
any maintenance or installation on the Lift without first making sure that main
electrical power has been disconnected from the Lift and
cannot
be re-energized
until all procedures are complete.
Important electrical information:
Improper electrical installation can damage the Power Unit motor; this is not covered under warranty.
Use a separate circuit breaker for each Power Unit.
Protect each circuit with a time-delay fuse or circuit breaker. For a 220 VAC, single phase circuit,
use a 25 amp or greater fuse.
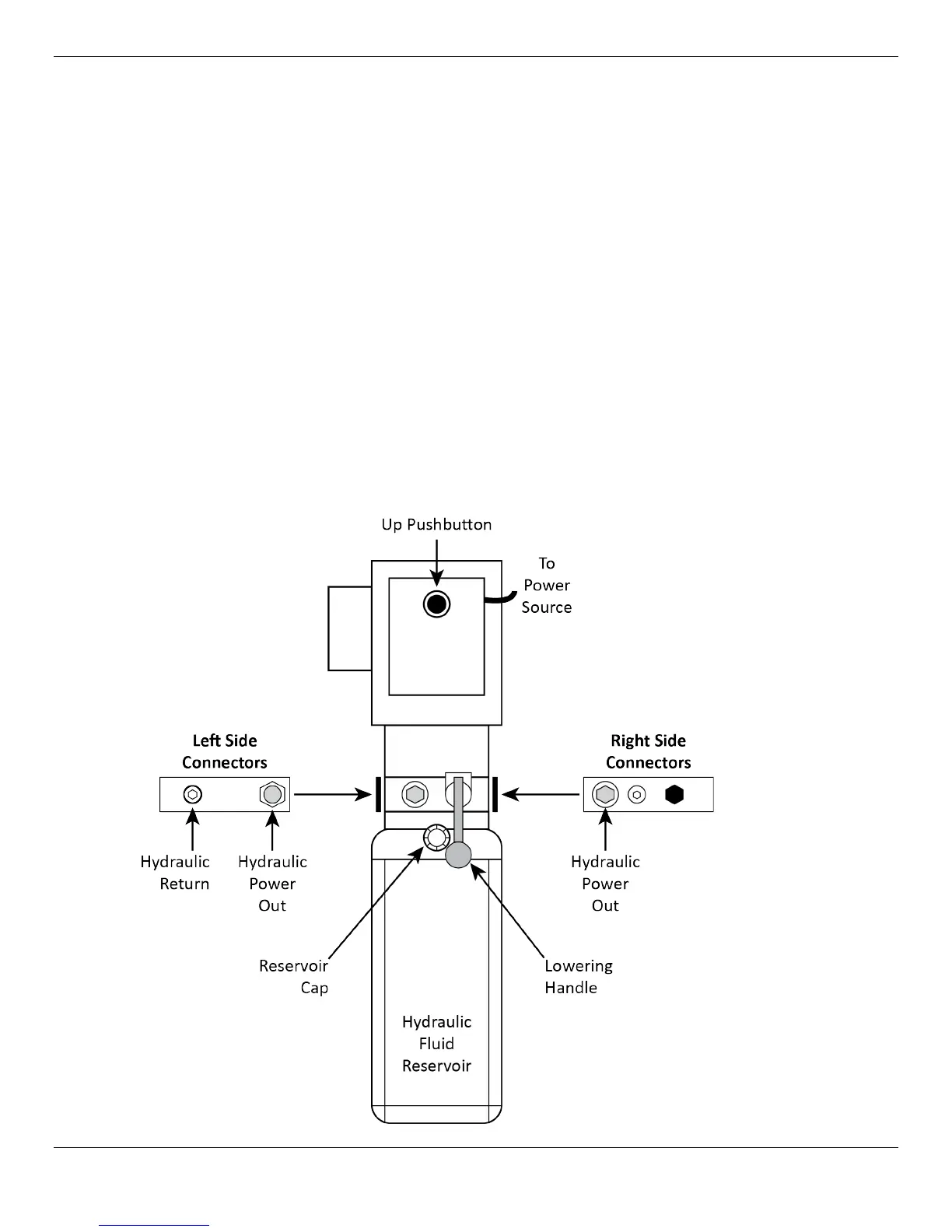
The following drawing shows Power Unit 1.

Other manuals for BendPak HDS-14LSX

Related product manuals