EasyManua.ls Logo

Biodom C15 - Electronic Control Panel Schematic

Biodom C15
71 pages
Print Icon
To Next Page IconTo Next Page
To Next Page IconTo Next Page
To Previous Page IconTo Previous Page
To Previous Page IconTo Previous Page
Loading...
Biodom C15 | instructions for use, maintenance and installation | February 2019
48
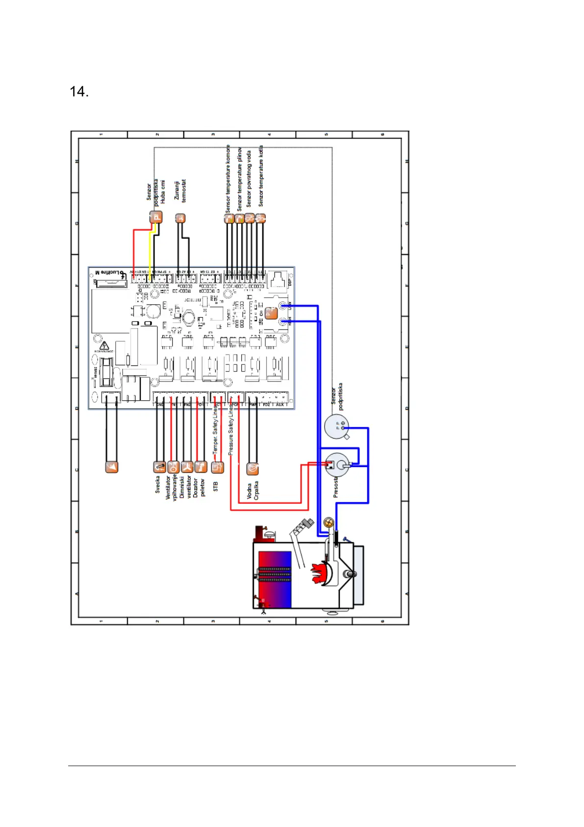
SCHEME OF ELECTRONIC CONTROL PANEL OF THE BOILER
Figure 17

Related product manuals