EasyManua.ls Logo

BMW Z3(E36/7) - Page 118

BMW Z3(E36/7)
367 pages
Print Icon
To Next Page IconTo Next Page
To Next Page IconTo Next Page
To Previous Page IconTo Previous Page
To Previous Page IconTo Previous Page
Loading...
32 X17461716
BM
BMW
BMWBMW
Z3
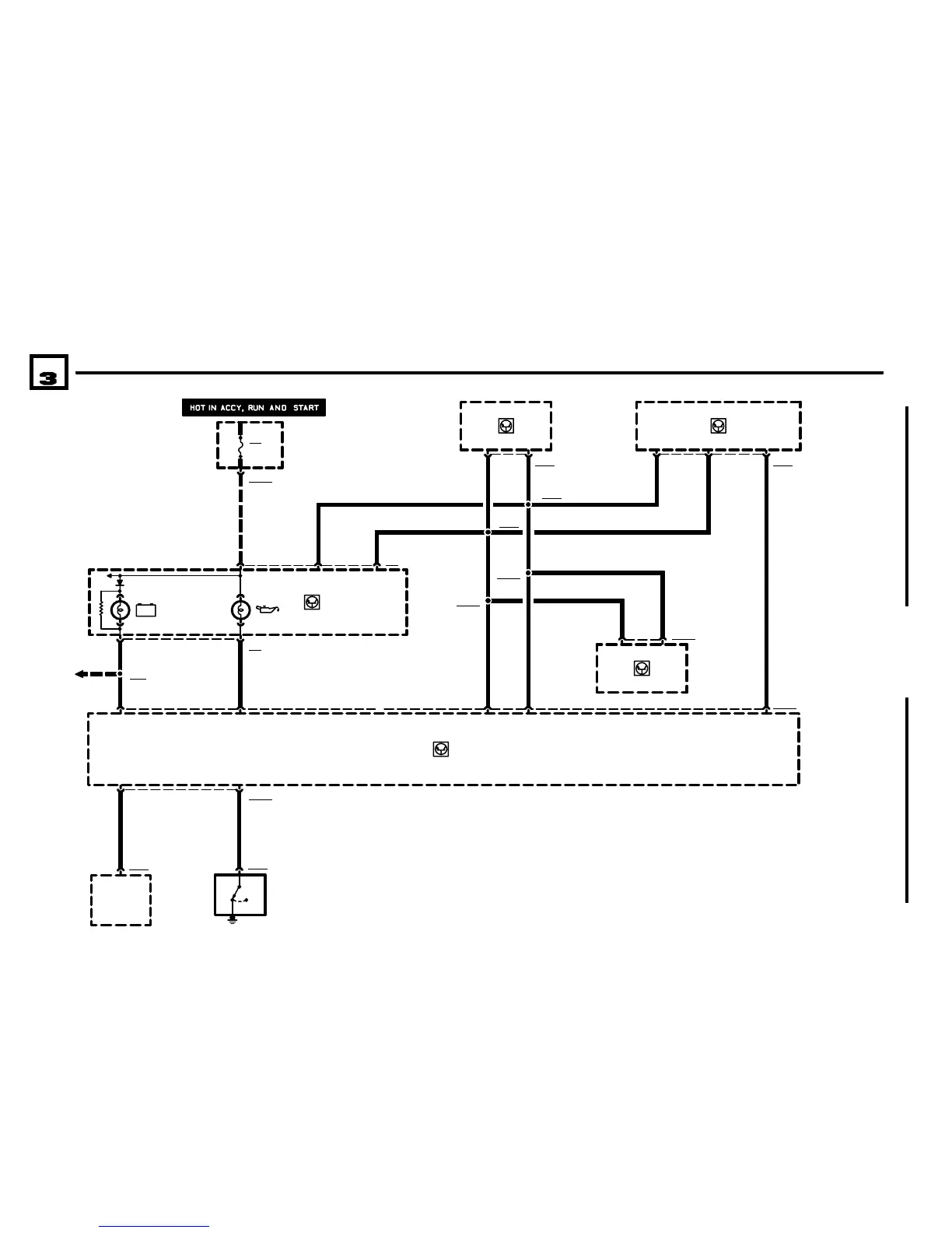
ENGINE CONTROL SYSTEM MSS54 (6CYLINDER S54 B32)
01/01
1210.27Ć11
6
11
19
1
.5 BL
A6000
ENGINE CONTROL
MODULE (DME)
X60004
22
.5 BR/GN
X1894
.35 WS/GN
G6509
GENERATOR
13
X6524
2
.75 BL
26
X6231
1
X60003
.5 BR/GN
B6231
OIL PRESSURE SWITCH
1) PRESSURE BETWEEN 0.20.5 BAR
2) NORMAL PRESSURE
.5 GE.5 BR
36
3
.5 GE
37
4
A2w
INSTRUMENT
CLUSTER
14
FUSE DETAILS
0670.3
F27
5A
X10017
P90
FRONT POWER
DISTRIBUTION BOX
23
X1893
X17
X1658
.5 BR
.5 GE
X213
.5 BL
CAN + CAN
D+
CHARGING
SYSTEM
1230.0
.5 BR
-+
12
CAN + CAN
CAN CAN +
R33
STEERING ANGLE
SENSOR
A65
DYNAMIC STABIL-
ITY CONTROL UNIT
(DSC)
67
.5 GE
CAN +CAN
.5 BR
X16
.5 GE
X18836
X18835
A3984
OIL/OUTSIDE
TEMPERATURE
GAUGE CONTROL
MODULE
7 6
CAN
.5 GE .5 BR
X13578
CAN +
M VERSIONS
.5 BR
2001

Table of Contents

Other manuals for BMW Z3(E36/7)

Related product manuals