EasyManua.ls Logo

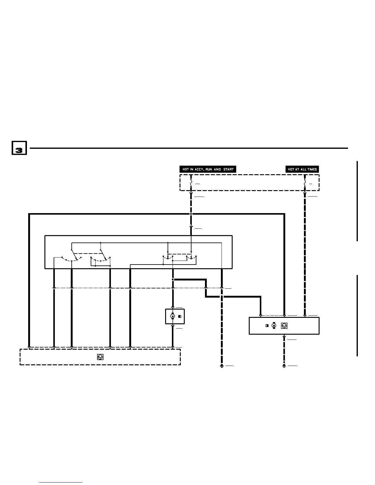
BMW Z3(E36/7) - Wiper;Washer (HIGH)

BMW Z3(E36/7)
367 pages
Print Icon
To Next Page IconTo Next Page
To Next Page IconTo Next Page
To Previous Page IconTo Previous Page
To Previous Page IconTo Previous Page
Loading...
.5 BR/VI.5 SW/BR.5 SW/BL.5 SW/GR
BMW
WIPER/WASHER (HIGH)
WIPER/WASHER MODULE (WWM)
06/00
6160.1Ć
2001
02
A51
WIPER/WASHER
MODULE
P90
FRONT POWER
DISTRIBUTION BOX
X285
FUSE DETAILS
0670.3
GROUND
DISTRIBUTION
0670.4
.5 VI/SW
F44
15A
5
S5
WIPER/WASHER
SWITCH
0) OFF
1) SINGLE WIPE
2) INTERMITTENT
3) NORMAL
4) FAST
5) WASH
10) REAR WASH
X295
1243
X1001828
FUSE DETAILS
0670.3
F1
30A
2
8 13 9 10
2
.75 SW/GN
.5 VI/SW
X9633
X2958
7
X1072
X1071
2
X13006
6
1
.5 BL/GN .5 VI/SW
GROUND
DISTRIBUTION
0670.4
1
X13268
X13057
X13057
A36
REAR WIPER/
WASHER INTERVAL
CONTROL MODULE
X10015
M4
WASHER PUMP
.75 BR/VI
12 11
2
0
1
3
4
10
5
0
10
5
0
2
0
1
3
4
COUPE
Z3

Table of Contents

Other manuals for BMW Z3(E36/7)

Related product manuals