EasyManua.ls Logo

BMW Z3(E36/7) - Headlights;Fog Lights

BMW Z3(E36/7)
367 pages
Print Icon
To Next Page IconTo Next Page
To Next Page IconTo Next Page
To Previous Page IconTo Previous Page
To Previous Page IconTo Previous Page
Loading...
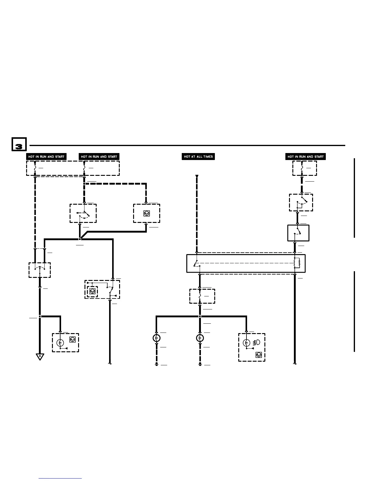
6312.0 HEADLIGHTS/FOG LIGHTS
BM
BMW
BMWBMW
Z3
1 GE/BR
9
06/00
6312.0Ć
2001
00
F25
5A
6312.0-01
X329
X32
5
FUSE DETAILS
0670.3
X65
F23
5A
6
10
4
10
.5 GE
.5 GE
X1029
FUSE DETAILS
0670.3
N17
CRASH CONTROL
MODULE
.5 GE/BL
S7
COMBINATION
SWITCH
7) NORMAL
8) FLASH
9) HIGH BEAM
.35 WS
.5 WS
3
X503
X503
8
2
4 X44
E26
LEFT FOG LIGHT
6
X44
8
.5 GE/GR
30
86
E27
RIGHT FOG LIGHT
GROUND DISTRIBUTION
0670.4
POWER
DISTRIBUTION
0670.2
X768
1
X7682
X769
1
X769
GROUND DISTRIBUTION
0670.4
1 GE/BR .75 GE/BR
X1152
1 GE/BR
85
P90
FRONT POWER
DISTRIBUTION BOX
K47
FRONT FOG LIGHT
RELAY
X10017
S8
LIGHT SWITCH
0) OFF
1) PARK LIGHTS ON
2) HEADLIGHTS ON
X17
.5 GE
X65
X165X166
4
.5 GN/GE .5
GE
2
0
2
1
8
9
7
X1028
1 X16
A2w
INSTRUMENT
CLUSTER
.35 WS .35 WS
F15
15A
10 X10016
NSW
X10016
9
P90
FRONT POWER
DISTRIBUTION BOX
.5 RT/WS
5
1 X10262
X10262
15
56
K46
HIGH BEAM LIGHT
RELAY
1 RT/GE
87
01
2
1 X504
X504
S10
FOG LIGHT SWITCH
0) OFF
1) FRONT FOG
LIGHTS ON
0
2
1
2
11 X503
X503
.5 GE/VI
S8
LIGHT SWITCH
0) OFF
1) PARK LIGHTS ON
2) HEADLIGHTS ON
P90
FRONT POWER
DISTRIBUTION BOX
F22
5A
4 X10017
FUSE DETAILS
0670.3
.5 GE
POWER
DISTRIBUTION
0670.2
USA
A2w
INSTRUMENT
CLUSTER

Table of Contents

Other manuals for BMW Z3(E36/7)

Related product manuals