EasyManua.ls Logo

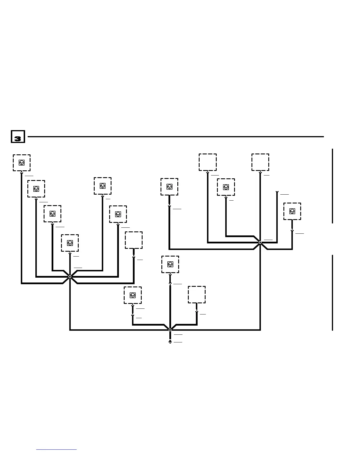
BMW Z3(E36/7) - (Zke IV); Ground X10010

BMW Z3(E36/7)
367 pages
Print Icon
To Next Page IconTo Next Page
To Next Page IconTo Next Page
To Previous Page IconTo Previous Page
To Previous Page IconTo Previous Page
Loading...
N12w
ANTITHEFT
CONTROL MODULE
(ALPINE)
BM
BMW
BMWBMW
Z3
GROUND DISTRIBUTION
GROUND X10010
01/01
0670.4Ć
2001
11
X10010
X102456
A35y
BOARD
COMPUTER
(BC LOW)
.5 BR/OR
X1624
A2w
INSTRUMENT
CLUSTER
X13011
X10009
X2798
X102182
A113
SEAT OCCUPANCY
DETECTOR
S59
PASSENGERS
SEAT BELT
SWITCH
X101825
A104
BODY ELECTRONICS
CONTROL MODULE
(ZKE IV)
.75 BR/
OR
.5 BR/OR
X190071
A19007
THERMAL OIL LEVEL
SENSOR (TOENS)
CONTROL MODULE
.5 BR/OR
1 BR/OR .5 BR/OR
X111431
S32
CLUTCH
SWITCH
.5 BR/OR
X658
N17
CRASH
CONTROL
MODULE
X64591
X7702
B21
ONBOARD
COMPUTER
TEMPERATURE
SENSOR
.5 BR/OR
X195275
D110
OBD II
CONNECTOR
.5 BR/OR .5 BR/OR
1 BR/OR.75 BR/OR .5 BR/OR
1.5 BR/OR
X130253
X27919
.5 BR/SW
X2758
S58
DRIVERS SEAT
BELT SWITCH
.5 BR/OR
X1211
S32
CLUTCH
SWITCH
M VERSIONS
.35 BR/OR
Z3 VERSIONS
X135789
A3984
OIL/OUTSIDE
TEMPERATURE GAUGE
CONTROL MODULE
.5 BR/
OR
M VERSIONS
X1313910
A194y
REMOTE
CONTROL
MODULE
Z3 VERSIONS
LATE PRODUCTION
.5 BR/OR
Z3 VERSIONS Z3 VERSIONS
X1313910
A22z
ELECTRO-
CHROMIC REAR
VIEW MIRROR
.5 BR/OR
M VERSIONS

Table of Contents

Other manuals for BMW Z3(E36/7)

Related product manuals